Гидранты пожарные
Материал:
- труба из стали, горячеоцинкованная сo всех сторон + внешнее двухкомпонентное — PU-покрытие;
- резьбовое подключение из нержавеющей стали;
- подставка из ковкого чугуна, порошковое покрытие сo всех сторон;
- труба штока из нержавеющей стали;
- поршень из ковкого чугуна;
- шпиндель из нержавеющей стали;
- все остальные части изготовлены из нержавеющего материала.
Преимущества:
- возможна безколодезная установка;
- срок эксплуатации — не менее 50 лет;
- гарантийный срок — 10 лет;
- автоматическое опорожнение;
- возможен ремонт гидранта без необходимости отключения системы.
Область применения:
- прокладка напорных трубопроводов водоснабжения.
Свернуть описания Развернуть описания
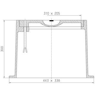
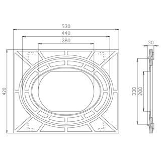
Ковер для подземных пожарных гидрантов
Артикул:1950
| Материал | Масса, (кг) |
серый чугун, с битумным покрытием | 32,0 |
Дополнительно:
Опорная плита
Фланец переходной
Артикул:5038
Для установки подземного гидранта DUO GOST на фланцевую пожарную подставку по ГОСТ 5525
| DN, (мм) | Масса, (кг) |
| 100х175 | 11,8 |
Дополнительно:
Гидрант подземный пожарный Keula модель "Восток"
Артикул:5035-K
Гидрант подземный DN100 PN16 Keula модель "Восток" (соответствующий ГОСТ 8220-85) из ковкого чугуна с эпоксидным покрытием предназначен для отбора воды на пожарные нужды из подземной водопроводной сети с помощью колонки пожарной по ГОСТ 7499.
| DN, (мм) | Глубина, (м) | h, (мм) | Масса, (кг) |
| 100 | 1,25 | 1065 | 38 |
| 1,50 | 1315 | 41 | |
| 1,75 | 1565 | 44 |
Дополнительно:
Гидрант пожарный HAWLE
Артикул:5035
| DN, (мм) | Глубина, (м) | h, (мм) | Масса, (кг) |
| 100 | 1,00 | 730 | 32 |
| 1,25 | 980 | 35,5 | |
| 1,50 | 1230 | 39 | |
| 1,75 | 1480 | 42,5 | |
| 2,00 | 1730 | 46 | |
| 2,25 | 1980 | 49,5 | |
| 2,50 | 2230 | 53 | |
| 2,75 | 2480 | 56,5 | |
| 3,00 | 2730 | 60 | |
| 3,25 | 2980 | 63,5 | |
| 3,50 | 3230 | 67 | |
| 3,75 | 3480 | 70,5 |
Ру 1.6 МПа
Дополнительно:












