Задвижки HAWLE
Материал:
- корпус из ковкого чугуна EN-GJS-400-18 в соответствии с EN 1563 (GGG 400 — DIN 1693) покрыты внутри и снаружи антикоррозионным эпоксидным покрытием по DIN 30677-T2 в соответствии с DIN 3476 и всеми требованиями тестирования знака качества RAL раздела 662 (GSK — ассоциация высококачественной антикоррозионной защиты).
Преимущества:
- могут быть установлены безколодезным способом
- срок эксплуатации — не менее 50 лет; гарантийный срок — 10 лет
- оптимально расположенные направляющие клина из износостойкого пластика гарантируют минимальное трение, истирание и закрывающие усилия;
- О-образные сальники установлены в некорродирующие материалы;
- возможна замена О-образных сальников под давлением;
- значительное превышение длины резьбы, позволяет гарантировать работу при максимально возможных усилиях на скручивание.
Область применения:
- напорные системы холодного водоснабжения
Свернуть описания Развернуть описания
Задвижка Hawle E2 клиновая с ПЭ патрубками
Артикул:4050 / 4050E2 / 4051E2
| DN, (мм) | Ø А, (мм) | Задвижка с ПЭ патрубками | Шпиндель | Масса,(кг) | ||||||||
| s (Py=0.6)* | s (Py=1.0)** | H, (мм) | H1,(мм) | L1, (мм) | L2,(мм) | В, (мм) | а, (мм) | с, (мм) | d1, (мм) | |||
| 25 | 32 | 2,0 | 3,0 | 164 | 192 | 196 | 518 | 80 | 10,3 | 20 | 14 | 11,5 |
| 32 | 40 | 2,3 | 3,7 | 199 | 234 | 230 | 556 | 103 | 10,3 | 20 | 16 | 11,5 |
| 40 | 50 | 2,9 | 4,6 | 199 | 242 | 240 | 576 | 103 | 10,3 | 20 | 16 | 11,5 |
| 50 | 63 | 3,6 | 5,8 | 260 | 309 | 280 | 648 | 143 | 14,8 | 30 | 22 | 11,5 |
| 65 | 75 | 4,3 | 6,9 | 328 | 384 | 295 | 657 | 180 | 17,3 | 35 | 25 | 17,5 |
| 80 | 90 | 5,1 | 8,2 | 336 | 400 | 310 | 668 | 180 | 17,3 | 35 | 25 | 20,0 |
| 100 | 110 | 6,3 | 10,0 | 373 | 449 | 340 | 710 | 213 | 19,3 | 38 | 25 | 27,5 |
| 100 | 125 | 7,1 | 11,4 | 373 | 458 | 395 | 761 | 213 | 19,3 | 38 | 25 | 30,0 |
| 125 | 140 | 8,0 | 12,8 | 450 | 542 | 390 | 756 | 285 | 19,3 | 38 | 28 | 44,0 |
| 150 | 160 | 9,1 | 14,6 | 462 | 565 | 430 | 796 | 285 | 19,3 | 38 | 28 | 52,0 |
| 150 | 180 | 10,4 | 16,4 | 462 | 577 | 458 | 814 | 285 | 19,3 | 38 | 28 | 61,5 |
| 200 | 200 | 11,4 | 18,2 | 563 | 701 | 514 | 900 | 357 | 24,3 | 48 | 32 | 92,0 |
| 200 | 225 | 12,8 | 20,5 | 563 | 701 | 514 | 900 | 357 | 24,3 | 48 | 32 | 94,0 |
* SDR 17.6
** SDR 11
Дополнительно:
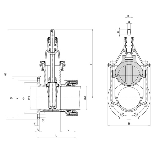
Задвижка Hawle А фланцевая
Артикул:4000А / 4700А
| DN, (мм) | Ру, (МПа) | Фланцы | Болты | Шпиндель | Задвижка | Масса, (кг) | |||||||||||||
| D, (мм) | b, (мм) | k, (мм) | d4, (мм) | f, (мм) | К-во | Резьба | d2, (мм) | а, (мм) | с, (мм) | d1, (мм) | Н, (мм) | Н1, (мм) | Lкороткая, (мм) | Lдлинная, (мм) | В, (мм) | Кор. | Длин. | ||
| 80 | 1.0 | 200 | 16 | 160 | 133 | 4 | 8 | М 16 | 19 | 17,3 | 30 | 20 | 286 | 386 | 180 | 280 | 136 | 10,5 | 12,8 |
| 1.6 | |||||||||||||||||||
| 100 | 1.0 | 220 | 16 | 180 | 153 | 4 | 8 | М 16 | 19 | 19,3 | 30 | 20 | 317 | 427 | 190 | 300 | 158 | 15,0 | 16,3 |
| 1.6 | |||||||||||||||||||
| 150 | 1.0 | 285 | 16 | 240 | 207 | 4 | 8 | М 20 | 23 | 19,3 | 30 | 20 | 409 | 552 | 210 | 350 | 231 | 26,5 | 30,0 |
| 1.6 | |||||||||||||||||||
| 200 | 1.0 | 340 | 17 | 295 | 264 | 4 | 8 | М 20 | 23 | 24,3 | 38 | 25 | 509 | 679 | 230 | 400 | 282 | 41,0 | 46,5 |
Дополнительно:
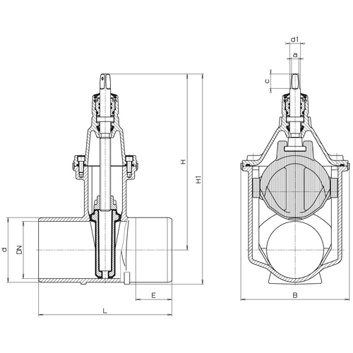
Задвижка Hawle Е2 / Гладкий Патрубок
Артикул:4100Е2 / 4140Е2
| DN, (мм) | Задвижка | Шпиндель | Масса, (кг) | |||||||
| d*, (мм) | L, (мм) | E, (мм) | H, (мм) | H1, (мм) | B, (мм) | а, (мм) | с, (мм) | d1, (мм) | ||
| 50 | 66 | 250 | 80 | 260 | 296 | 143 | 14,8 | 30 | 22 | 7,8 |
| 65 | 82 | 270 | 85 | 328 | 373 | 180 | 17,3 | 35 | 25 | 13,0 |
| 80 | 98 | 280 | 85 | 336 | 390 | 180 | 17,3 | 35 | 25 | 14,5 |
| 600 | 245 | 19,5 | ||||||||
| 100 | 118 | 300 | 90 | 373 | 438 | 213 | 19,3 | 38 | 25 | 20,0 |
| 600 | 240 | 26,0 | ||||||||
| 125 | 144 | 325 | 95 | 450 | 527 | 285 | 19,3 | 38 | 28 | 30,0 |
| 150 | 170 | 350 | 95 | 462 | 552 | 285 | 19,3 | 38 | 28 | 34,5 |
| 600 | 220 | 41,5 | ||||||||
| 200 | 222 | 400 | 115 | 563 | 679 | 357 | 24,3 | 48 | 32 | 55,5 |
| 600 | 215 | 65,0 | ||||||||
| 250 | 274 | 450 | 120 | 670 | 813 | 432 | 27,3 | 48 | 34 | 93,0 |
| 300 | 326 | 500 | 120 | 753 | 919 | 518 | 27,3 | 48 | 34 | 137,0 |
| 400 | 429 | 600 | 133 | 974 | 1198 | 687 | 32,3 | 55 | 44 | 254,0 |
* Другие наружные диаметры по заказу
Дополнительно:
Задвижка Hawle Е2 SYSTEM 2000
Артикул:4343Е2
| Диаметр трубы | Диаметр трубы1 | E2 Комби — Т | Раструб | Шпиндель | Масса,(кг) | ||||||||
| H, (мм) | Н1, (мм) | H2, (мм) | t, (мм) | L, (мм) | t1, (мм) | D1, (мм) | h, (мм) | а, (мм) | с, (мм) | d1,(мм) | |||
| 80/90 | 80/90 | 336 | 412 | 412 | 88 | 310 | 88 | 150 | 201 | 17,3 | 35 | 25 | 21,0 |
| 100/110 | 50/63 | 260 | 322 | 346 | 83 | 290 | 88 | 172 | 218 | 14,8 | 30 | 22 | 17,0 |
| 100/110 | 80/90 | 336 | 412 | 422 | 88 | 320 | 88 | 172 | 231 | 17,3 | 35 | 25 | 23,5 |
| 100/110 | 100/110 | 373 | 460 | 460 | 88 | 340 | 88 | 172 | 231 | 19,3 | 38 | 25 | 28,0 |
| 100/125 | 100/125 | 373 | 470 | 470 | 88 | 345 | 88 | 193 | 235 | 19,3 | 38 | 25 | 31,0 |
| 150/160 | 80/90 | 336 | 412 | 453 | 88 | 350 | 108 | 234 | 251 | 17,3 | 35 | 25 | 31,0 |
| 150/160 | 100/110 | 373 | 460 | 490 | 88 | 370 | 108 | 234 | 251 | 19,3 | 38 | 25 | 35,0 |
| 150/160 | 100/125 | 373 | 470 | 490 | 88 | 370 | 108 | 234 | 255 | 19,3 | 38 | 25 | 38,5 |
| 150/160 | 150/160 | 462 | 580 | 580 | 108 | 420 | 108 | 234 | 303 | 19,3 | 38 | 28 | 51,0 |
| 200/225 | 80/90 | 336 | 412 | 481 | 88 | 410 | 130 | 312 | 281 | 17,3 | 35 | 25 | 48,0 |
| 200/225 | 100/110 | 373 | 460 | 518 | 88 | 430 | 130 | 312 | 291 | 19,3 | 38 | 25 | 52,0 |
Тройник раструбный с одной встроенной клиновой Е2 — задвижкой для ПЭ (ПЭ 80/100) и ПВХ труб
Дополнительно:
Задвижка Hawle Е2 SYSTEM 2000 типа «Комби-Т»
Артикул:4040Е2
| DN, (мм) | Диаметр трубы | Задвижка | Шпиндель | Масса, (кг) | |||||||
| D1, (мм) | t, (мм) | H, (мм) | H1, (мм) | L, (мм) | B, (мм) | а, (мм) | с, (мм) | d1, (мм) | |||
| 50 | 63 | 124 | 83 | 260 | 322 | 226 | 143 | 14,8 | 30 | 22 | 8,1 |
| 65 | 75 | 138 | 85 | 328 | 397 | 240 | 180 | 17,3 | 35 | 25 | 14,3 |
| 80 | 90 | 152 | 88 | 336 | 412 | 242 | 180 | 17,3 | 35 | 25 | 13,8 |
| 100 | 110 | 174 | 88 | 373 | 460 | 252 | 213 | 19,3 | 38 | 25 | 18,3 |
| 125 | 195 | ` | 373 | 470 | 260 | 213 | 19,3 | 38 | 25 | 19,0 | |
| 125 | 125 | 195 | 90 | 450 | 547 | 280 | 285 | 19,3 | 38 | 28 | 32,0 |
| 140 | 212 | 96 | 450 | 556 | 278 | 285 | 19,3 | 38 | 28 | 33,0 | |
| 150 | 160 | 236 | 108 | 462 | 580 | 316 | 285 | 19,3 | 38 | 28 | 34,0 |
| 180 | 258 | 118 | 462 | 591 | 342 | 285 | 19,3 | 38 | 28 | 36,0 | |
| 200 | 200 | 284 | 128 | 563 | 705 | 366 | 357 | 24,3 | 48 | 32 | 65,0 |
| 225 | 314 | 130 | 563 | 720 | 366 | 357 | 24,3 | 48 | 32 | 69,0 | |
| 250 | 250 | 347 | 147 | 670 | 844 | 400 | 432 | 27,3 | 48 | 34 | 103,0 |
| 280 | 376 | 150 | 670 | 858 | 420 | 432 | 27,3 | 48 | 34 | 110,0 | |
| 300 | 315 | 422 | 176 | 753 | 964 | 472 | 518 | 27,3 | 48 | 34 | 168,0 |
Упруго-запирающаяся клиновая задвижка с раструбами для ПЭ (ПЭ 80/100) и ПВХ труб
Дополнительно:
Задвижка Hawle Е2 клиновая DN 50 – 600
Артикул:4000Е2 / 4700Е2
| DN, (мм) | Ру, (МПа) | Фланцы | Болты | Шпиндель | Задвижка | Масса,(кг) | |||||||||||||
| D, (мм) | b, (мм) | k, (мм) | d4, (мм) | f, (мм) | К-во | Резьба | d2, (мм) | а, (мм) | с, (мм) | d1, (мм) | Н, (мм) | Н1, (мм) | Lкороткая, (мм) | Lдлинная, (мм) | В, (мм) | Кор. | Длин. | ||
| 50 | 1.0 | 165 | 19 | 125 | 98 | 3 | 4 | М 16 | 19 | 14,8 | 30 | 22 | 260 | 342 | 150 | 250 | 143 | 11,0 | 12,0 |
| 1.6 | |||||||||||||||||||
| 65 | 1.0 | 185 | 19 | 145 | 118 | 3 | 4 | М 16 | 19 | 17,3 | 35 | 25 | 328 | 420 | 170 | 270 | 180 | 17,0 | 18,5 |
| 1.6 | |||||||||||||||||||
| 80 | 1.0 | 200 | 19 | 160 | 133 | 3 | 8 | М 16 | 19 | 17,3 | 35 | 25 | 336 | 436 | 180 | 280 | 180 | 18,5 | 20,5 |
| 1.6 | |||||||||||||||||||
| 100 | 1.0 | 220 | 19 | 180 | 153 | 3 | 8 | М 16 | 19 | 19,3 | 38 | 25 | 373 | 483 | 190 | 300 | 213 | 24,5 | 27,5 |
| 1.6 | |||||||||||||||||||
| 125 | 1.0 | 250 | 19 | 210 | 183 | 3 | 8 | М 16 | 19 | 19,3 | 38 | 28 | 450 | 575 | 200 | 325 | 285 | 35,0 | 38,0 |
| 1.6 | |||||||||||||||||||
| 150 | 1.0 | 285 | 19 | 240 | 209 | 3 | 8 | М 20 | 23 | 19,3 | 38 | 28 | 462 | 605 | 210 | 350 | 285 | 40,5 | 46,0 |
| 1.6 | |||||||||||||||||||
| 200 | 1.0 | 340 | 20 | 295 | 264 | 3 | 8 | М 20 | 23 | 24,3 | 48 | 32 | 563 | 733 | 230 | 400 | 357 | 64,0 | 72,0 |
| 1.6 | 12 | ||||||||||||||||||
| 250 | 1.0 | 400 | 22 | 350 | 319 | 3 | 12 | М 20 | 23 | 27,3 | 48 | 34 | 670 | 870 | 250 | 450 | 432 | 100,0 | 121,0 |
| 1.6 | 355 | М 24 | 28 | ||||||||||||||||
| 300 | 1.0 | 455 | 24,5 | 400 | 367 | 4 | 12 | М 20 | 23 | 27,3 | 48 | 34 | 753 | 981 | 270 | 500 | 518 | 147,0 | 170,0 |
| 1.6 | 410 | М 24 | 28 | ||||||||||||||||
| 350 | 1.0 | 520 | 26,5 | 460 | 427 | 4 | 16 | М 20 | 23 | 27,3 | 48 | 34 | 838 | 1098 | 290 | 604 | 205,0 | ||
| 1.6 | 470 | М 24 | 28 | ||||||||||||||||
| 400 | 1.0 | 580 | 28 | 515 | 477 | 4 | 16 | М 24 | 28 | 32,3 | 55 | 44 | 974 | 1264 | 310 | 600 | 687 | 261,0 | 300,0 |
| 1.6 | 525 | М 27 | 31 | ||||||||||||||||
| 450* | 1.0 | 640 | 30 | 565 | 530 | 4 | 20 | М 24 | 28 | 32,3 | 55 | 44 | 974 | 1310 | 650 | 687 | 332,0 | ||
| 1.6 | 585 | М 27 | 31 | ||||||||||||||||
| 500* | 1.0 | 715 | 31,5 | 620 | 582 | 4 | 20 | М 24 | 28 | 32,3 | 55 | 44 | 974 | 1345 | 700 | 687 | 371,0 | ||
| 1.6 | 650 | М 30 | 34 | ||||||||||||||||
| 500 | 1.0 | 715 | 31,5 | 620 | 582 | 4 | 20 | М 24 | 28 | 36,3 | 66 | 50 | 1220 | 1578 | 350 | 700 | 800 | 479,0 | 542,0 |
| 1.6 | 650 | М 30 | 34 | ||||||||||||||||
| 600 | 1.0 | 840 | 36 | 725 | 720 | 5 | 20 | М 27 | 31 | 36,3 | 66 | 50 | 1377 | 1797 | 390 | 800 | 944 | 710,0 | 810,0 |
| 1.6 | 770 | М 33 | 37 | ||||||||||||||||
Упруго-запирающаяся клиновая задвижка с гладким проходным каналом
Дополнительно:
Задвижка Hawle Е2 клиновая PN 25
Артикул:4010Е2 / 4710Е2
| DN, (мм) | Ру, (МПа) | Фланцы | Болты | Шпиндель | Задвижка | Масса,(кг) | |||||||||||||
| D, (мм) | b, (мм) | k, (мм) | d4, (мм) | f, (мм) | К-во | Резьба | d2, (мм) | а, (мм) | с, (мм) | d1, (мм) | Н, (мм) | Н1, (мм) | Lкороткая, (мм) | Lдлинная, (мм) | В, (мм) | Кор. | Длин. | ||
| 50 | 2.5 | 165 | 19 | 125 | 98 | 3 | 4 | M 16 | 19 | 14,8 | 30 | 22 | 260 | 342 | 150 | 143 | 11,0 | ||
| 65 | 185 | 19 | 145 | 118 | 3 | 8 | M 16 | 19 | 17,3 | 35 | 25 | 328 | 420 | 170 | 180 | 17,0 | |||
| 80 | 200 | 19 | 160 | 133 | 3 | 8 | M 16 | 19 | 17,3 | 35 | 25 | 336 | 436 | 180 | 180 | 18,5 | |||
| 100 | 235 | 19 | 190 | 153 | 3 | 8 | M 20 | 23 | 19,3 | 38 | 25 | 373 | 480 | 190 | 213 | 24,5 | |||
| 125 | 270 | 19 | 220 | 183 | 3 | 8 | M 24 | 28 | 19,3 | 38 | 28 | 450 | 585 | 200 | 285 | 35,0 | |||
| 150 | 300 | 19 | 250 | 209 | 3 | 8 | M 24 | 28 | 19,3 | 38 | 28 | 462 | 602 | 210 | 350 | 285 | 40,5 | 49,0 | |
| 200 | 360 | 20 | 310 | 264 | 3 | 12 | M 24 | 28 | 24,3 | 48 | 32 | 563 | 743 | 230 | 400 | 357 | 64,0 | 81,0 | |
| 250 | 425 | 24,5 | 370 | 330 | 3 | 12 | M 27 | 31 | 27,3 | 48 | 34 | 670 | 883 | 450 | 432 | 136,0 | |||
| 300 | 485 | 27,5 | 430 | 389 | 4,5 | 16 | M 27 | 31 | 27,3 | 48 | 34 | 753 | 996 | 500 | 518 | 196,0 | |||
Упруго-запирающаяся клиновая задвижка с гладким проходным каналом
Дополнительно:
Задвижка Hawle Е2 клиновая переходная
Артикул:4150Е2
| DN, (мм) | Ру, (МПа) | Фланец А | Фланец В | Задвижка | Шпиндель | Масса, (кг) | |||||||||||||
| DА, (мм) | bА, (мм) | kА, (мм) | d2А, (мм) | nА*, (мм) | DВ, (мм) | bВ, (мм) | kВ, (мм) | d2В, (мм) | nВ*, (мм) | Н, (мм) | Н1, (мм) | L, (мм) | В, (мм) | а, (мм) | с, (мм) | d1, (мм) | |||
| 100-65 | 1.0 | 185 | 19 | 145 | 19 | 4 | 220 | 19,0 | 180 | 19 | 8 | 328 | 438 | 180 | 180 | 17,3 | 35 | 25 | 19,0 |
| 1.6 | |||||||||||||||||||
| 100-80 | 1.0 | 200 | 19 | 160 | 19 | 8 | 220 | 19,0 | 180 | 19 | 8 | 336 | 446 | 190 | 180 | 17,3 | 35 | 25 | 20,0 |
| 1.6 | |||||||||||||||||||
| 150-80 | 1.0 | 200 | 19 | 160 | 19 | 8 | 285 | 19,0 | 240 | 23 | 8 | 336 | 479 | 200 | 180 | 17,3 | 35 | 25 | 24,0 |
| 1.6 | |||||||||||||||||||
| 125-100 | 1.0 | 220 | 19 | 180 | 19 | 8 | 250 | 19,0 | 210 | 19 | 8 | 373 | 498 | 200 | 213 | 19,3 | 38 | 25 | 25,5 |
| 1.6 | |||||||||||||||||||
| 150-100 | 1.0 | 220 | 19 | 180 | 19 | 8 | 285 | 19,0 | 240 | 23 | 8 | 373 | 516 | 210 | 213 | 19,3 | 38 | 25 | 28,0 |
| 1.6 | |||||||||||||||||||
| 200-100 | 1.0 | 220 | 19 | 180 | 19 | 8 | 340 | 20,0 | 295 | 23 | 8 | 373 | 543 | 210 | 213 | 19,3 | 38 | 25 | 32,0 |
| 1.6 | 12 | ||||||||||||||||||
| 200-150 | 1.0 | 285 | 19 | 240 | 23 | 8 | 340 | 20,0 | 295 | 23 | 8 | 462 | 632 | 220 | 285 | 19,3 | 38 | 28 | 46,5 |
| 1.6 | 12 | ||||||||||||||||||
| 250-150 | 1.0 | 285 | 19 | 240 | 23 | 8 | 400 | 22,0 | 350 | 23 | 12 | 462 | 662 | 230 | 285 | 19,3 | 38 | 28 | 52,5 |
| 1.6 | 355 | 28 | |||||||||||||||||
| 300-150 | 1.0 | 285 | 19 | 240 | 23 | 8 | 455 | 24,5 | 400 | 23 | 12 | 462 | 690 | 240 | 285 | 19,3 | 38 | 28 | 57,0 |
| 1.6 | 410 | 28 | |||||||||||||||||
| 250-200 | 1.0 | 340 | 20 | 295 | 23 | 8 | 400 | 22,0 | 350 | 23 | 12 | 563 | 763 | 240 | 357 | 24,3 | 48 | 32 | 68,0 |
| 1.6 | 12 | 355 | 28 | ||||||||||||||||
| 300-200 | 1.0 | 340 | 20 | 295 | 23 | 8 | 455 | 24,5 | 400 | 23 | 12 | 563 | 791 | 250 | 357 | 24,3 | 48 | 32 | 74,0 |
| 1.6 | 12 | 410 | 28 | ||||||||||||||||
| 300-250 | 1.0 | 400 | 22 | 350 | 23 | 12 | 455 | 24,5 | 400 | 23 | 12 | 670 | 898 | 260 | 432 | 27,3 | 48 | 34 | 105,0 |
| 1.6 | 355 | 28 | 410 | 28 | |||||||||||||||
Упруго-запирающаяся клиновая задвижка с фланцами разных диаметров
Клин установлен на меньшем диаметре; nB*, nА* — количество болтов
Дополнительно:
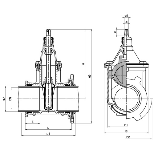
Задвижка Hawle Е2 клиновая раструбная
Артикул:4500Е2
| DN, (мм) | труба Ø А | Задвижка | Шпиндель | Hawle-Stop | |||||||||
| D1, (мм) | E, (мм) | H, (мм) | H2, (мм) | L, (мм) | L1, (мм) | B, (мм) | Масса, (кг) | а, (мм) | с, (мм) | d1, (мм) | Масса, (кг) | ||
| 80 | 98 | 165 | 110 | 336 | 456 | 300 | 414 | 180 | 18,5 | 17,3 | 35 | 25 | 3,7 |
| 100 | 118 | 187 | 105 | 373 | 505 | 300 | 430 | 213 | 24,0 | 19,3 | 38 | 25 | 4,7 |
| 125 | 144 | 213 | 115 | 450 | 595 | 345 | 474 | 285 | 30,0 | 19,3 | 38 | 28 | 5,0 |
| 150 | 170 | 239 | 115 | 462 | 624 | 340 | 474 | 285 | 39,5 | 19,3 | 38 | 28 | 5,5 |
| 200 | 222 | 302 | 125 | 563 | 757 | 365 | 511 | 357 | 63,0 | 24,3 | 48 | 32 | 9,6 |
| 250 | 274 | 360 | 105 | 670 | 895 | 470 | 562 | 432 | 102,0 | 27,3 | 48 | 36 | 11,1 |
| 300 | 326 | 421 | 110 | 753 | 1008 | 537 | 628 | 518 | 162,0 | 27,3 | 48 | 36 | 14,9 |
Упруго-запирающаяся клиновая задвижка с раструбами для чугунных труб
Дополнительно:
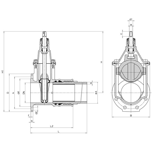
Задвижка Hawle Е2 клиновая фланец - ПЭ патрубок
Артикул:4090Е2 / 4091Е2
| DN, (мм) | Диаметр трубы | Фланец | Болты | Задвижка с ПЭ патрубком | Шпиндель | Масса,(кг) | ||||||||||||||
| D, (мм) | b, (мм) | k, (мм) | d4, (мм) | f, (мм) | К-во | Резьба | d2, (мм) | s (PN0.6)* | s (PN1.0)** | H, (мм) | H1, (мм) | L1, (мм) | L2, (мм) | В, (мм) | а, (мм) | с, (мм) | d1, (мм) | |||
| 50 | 63 | 165 | 19 | 125 | 98 | 3 | 4 | М 16 | 19 | 3,6 | 5,8 | 260 | 342 | 399 | 215 | 143 | 14,8 | 30 | 22 | 11,5 |
| 65 | 75 | 185 | 19 | 145 | 118 | 3 | 4 | М 16 | 19 | 4,3 | 6,9 | 328 | 420 | 416 | 235 | 180 | 17,3 | 35 | 25 | 17,5 |
| 80 | 90 | 200 | 19 | 160 | 133 | 3 | 8 | М 16 | 19 | 5,1 | 8,2 | 336 | 436 | 425 | 245 | 180 | 17,3 | 35 | 25 | 18,5 |
| 100 | 110 | 220 | 19 | 180 | 153 | 3 | 8 | М 16 | 19 | 6,3 | 10,0 | 373 | 483 | 450 | 265 | 213 | 19,3 | 38 | 25 | 26,0 |
| 100 | 125 | 220 | 19 | 180 | 153 | 3 | 8 | М 16 | 19 | 7,1 | 11,4 | 373 | 483 | 476 | 293 | 213 | 19,3 | 38 | 25 | 28,0 |
| 125 | 140 | 250 | 19 | 210 | 183 | 3 | 8 | М 16 | 19 | 8,0 | 12,8 | 450 | 575 | 485 | 310 | 285 | 19,3 | 38 | 28 | 39,5 |
| 150 | 160 | 285 | 19 | 240 | 209 | 3 | 8 | М 20 | 23 | 9,1 | 14,6 | 462 | 605 | 503 | 320 | 285 | 19,3 | 38 | 28 | 46,0 |
| 150 | 180 | 285 | 19 | 240 | 209 | 3 | 8 | М 20 | 23 | 10,4 | 16,4 | 462 | 605 | 512 | 334 | 285 | 19,3 | 38 | 28 | 50,5 |
| 200 | 200 | 340 | 20 | 295 | 264 | 3 | 8 | М 20 | 23 | 11,4 | 18,2 | 563 | 733 | 565 | 372 | 357 | 24,3 | 48 | 32 | 78,5 |
| 200 | 225 | 340 | 20 | 295 | 264 | 3 | 8 | М 20 | 23 | 12,8 | 20,5 | 563 | 733 | 565 | 372 | 357 | 24,3 | 48 | 32 | 79,5 |
* SDR 17.6
** SDR 11
Дополнительно:
Задвижка Hawle Е2 раструбная стандарта VRS
Артикул:4027E2
| DN, (мм) | Диаметр трубы | Задвижка | Шпиндель | Масса, (кг) | ||||||||
| D1, (мм) | D2, (мм) | E, (мм) | H, (мм) | H1, (мм) | L, (мм) | B, (мм) | а, (мм) | с, (мм) | d1, (мм) | |||
| 80 | 98 | 98 | 156 | 127 | 336 | 414 | 422 | 180 | 17,3 | 35 | 25 | 20,5 |
| 100 | 118 | 118 | 178 | 135 | 373 | 462 | 440 | 213 | 19,3 | 38 | 25 | 26,5 |
| 125 | 144 | 144 | 208 | 143 | 450 | 554 | 475 | 285 | 19,3 | 38 | 28 | 35,0 |
| 150 | 170 | 170 | 235 | 150 | 462 | 580 | 513 | 285 | 19,3 | 38 | 28 | 46,5 |
| 200 | 222 | 222 | 295 | 160 | 563 | 711 | 535 | 357 | 24,3 | 48 | 32 | 74,0 |
| 250 | 274 | 274 | 356 | 165 | 670 | 848 | 577 | 432 | 27,3 | 48 | 36 | 112,0 |
| 300 | 326 | 326 | 414 | 170 | 753 | 960 | 638 | 518 | 27,3 | 48 | 36 | 168,0 |
Дополнительно:
Задвижка Hawle Е2 типа Комби-III без пожарной вставки
Артикул:4450Е2
| DN, (мм) | E2 Задвижка Комби — III без пож. подставки | Шпиндель | Масса, (кг) Число задвижек | ||||||||||||
| L, (мм) | Н, (мм) | H1, (мм) | k, (мм) | b, (мм) | М1, (мм) | М2, (мм) | L1, (мм) | h, (мм) | N, (мм) | а, (мм) | с, (мм) | d1,(мм) | 2 | 3 | |
| 80 | 435 | 336 | 436 | 160 | 19 | 255 | 180 | - | 318 | - | 17,3 | 35 | 25 | 45,0 | 50,0 |
| 100 | 555 | 373 | 483 | 180 | 19 | 365 | 258 | 212 | 411 | 27 | 19,3 | 38 | 25 | 68,0 | 74,0 |
| 125 | 615 | 475 | 600 | 210 | 19 | 415 | 293,5 | 360 | 515 | 27 | 19,3 | 38 | 28 | 101,0 | 111,0 |
| 150 | 625 | 462 | 605 | 240 | 19 | 415 | 293,5 | 360 | 520 | 27 | 19,3 | 38 | 28 | 105,0 | 115,0 |
| 200 | 695 | 563 | 733 | 295 | 20 | 465 | 329 | 445 | 602 | 32 | 24,3 | 48 | 32 | 167,0 | 183,0 |
Тройник фланцевый с двумя или тремя встроенными клиновыми задвижками
Дополнительно:
Задвижка Hawle Е2 типа Комби-III с пожарной вставкой
Артикул:4460Е2
| DN, (мм) | E2 Задвижка Комби — III c пож.подставкой | Шпиндель | Масса, (кг) Число задвижек | ||||||||||||||||||
| ØА, (мм) | DN1, (мм) | L, (мм) | L1, (мм) | H, (мм) | H1, (мм) | H2, (мм) | H3, (мм) | b, (мм) | b1, (мм) | k, (мм) | k1, (мм) | М1, (мм) | М2, (мм) | h, (мм) | N, (мм) | а, (мм) | с, (мм) | d1, (мм) | 2 | 3 | |
| 100 | 100 | 100 | 555 | 212 | 373 | 483 | 90 | + | 19 | + | 180 | + | 365 | 258 | 411 | 27 | 19,3 | 38 | 25 | 71,0 | 76,0 |
| 150 | 150 | 100 | 625 | 360 | 462 | 605 | 140 | 192 | 19 | 19 | 240 | 180 | 415 | 293,5 | 520 | 27 | 19,3 | 38 | 28 | 120,0 | 130,0 |
| 200 | 200 | 100 | 695 | 445 | 563 | 733 | 180 | 192 | 20 | 19 | 295 | 180 | 465 | 329 | 602 | 32 | 24,3 | 48 | 32 | 185,0 | 201,0 |
Тройник фланцевый с двумя или тремя встроенными клиновыми задвижками
Дополнительно:
Задвижка Hawle Е2 типа Комби-IV без пожарной вставки
Артикул:4400Е2
| DN, (мм) | E2 Задвижка Комби — IV без пож. подставки | Шпиндель | Масса, (кг) Число задвижек | ||||||||||||
| L, (мм) | Н, (мм) | H1, (мм) | k, (мм) | b, (мм) | М1, (мм) | М2, (мм) | L1, (мм) | N, (мм) | а, (мм) | с, (мм) | d1,(мм) | 2 | 3 | 4 | |
| 80 | 435 | 336 | 436 | 160 | 19 | 255 | 180 | - | - | 17,3 | 35 | 25 | 55,0 | 60,0 | 65,0 |
| 100 | 555 | 373 | 483 | 180 | 19 | 365 | 258 | 212 | 27 | 19,3 | 38 | 25 | 76,0 | 84,0 | 90,0 |
| 125 | 615 | 475 | 600 | 210 | 19 | 415 | 293,5 | 360 | 27 | 19,3 | 38 | 28 | 125,0 | 135,0 | 145,0 |
| 150 | 625 | 562 | 605 | 240 | 19 | 415 | 293,5 | 360 | 27 | 19,3 | 38 | 28 | 133,0 | 143,0 | 153,0 |
| 200 | 695 | 563 | 733 | 295 | 20 | 465 | 329 | 445 | 32 | 24,3 | 48 | 32 | 207,0 | 223,0 | 239,0 |
Крестовина фланцевая с двумя, тремя или четырьмя задвижками
Дополнительно:
Задвижка Hawle Е2 типа Комби-IV с пожарной вставкой
Артикул:4410Е2
| DN, (мм) | E2 Задвижка Комби — IV c пож.подставкой | Шпиндель | Масса,(кг) Число задвижек | ||||||||||||||||||
| ØА, (мм) | DN1, (мм) | L, (мм) | L1, (мм) | H, (мм) | H1, (мм) | H2, (мм) | H3, (мм) | b, (мм) | b1, (мм) | k, (мм) | k1, (мм) | М1, (мм) | М2, (мм) | N, (мм) | а, (мм) | с, (мм) | d1, (мм) | 2 | 3 | 4 | |
| 100 | 100 | 100 | 555 | 212 | 373 | 483 | 90 | + | 19 | + | 180 | + | 365 | 258 | 27 | 19,3 | 38 | 25 | 90,0 | 96,0 | |
| 150 | 150 | 100 | 625 | 360 | 462 | 605 | 140 | 192 | 19 | 19 | 240 | 180 | 415 | 293,5 | 27 | 19,3 | 38 | 28 | 165,0 | ||
| 200 | 200 | 100 | 695 | 445 | 563 | 733 | 180 | 192 | 20 | 19 | 295 | 180 | 465 | 329 | 32 | 24,3 | 48 | 32 | 264,0 | ||
Крестовина фланцевая с двумя, тремя или четырьмя задвижками
Дополнительно:
Задвижка Hawle Е2 типа «Комби-Т»
Артикул:4340Е2
| DN, (мм) | DN1, (МПа) | E2 Задвижка «Комби — Т» | Фланцы | Шпиндель | Масса,(кг) | |||||||||
| L, (мм) | Н, (мм) | H1, (мм) | H2, (мм) | h, (мм) | k, (мм) | b, (мм) | k1, (мм) | b1, (мм) | а, (мм) | с, (мм) | d1,(мм) | |||
| 80 | 80 | 280 | 336 | 436 | 436 | 170 | 160 | 19 | 160 | 19 | 17,3 | 35 | 25 | 25,0 |
| 100 | 65 | 260 | 328 | 420 | 438 | 180 | 145 | 19 | 180 | 19 | 17,3 | 35 | 25 | 29,5 |
| 100 | 80 | 280 | 336 | 436 | 446 | 200 | 160 | 19 | 180 | 19 | 17,3 | 35 | 25 | 30,5 |
| 100 | 100 | 310 | 373 | 483 | 483 | 200 | 180 | 19 | 180 | 19 | 19,3 | 38 | 25 | 34,5 |
| 125 | 80 | 280 | 336 | 436 | 461 | 200 | 160 | 19 | 210 | 19 | 17,3 | 35 | 25 | 30,0 |
| 125 | 100 | 310 | 373 | 483 | 498 | 215 | 180 | 19 | 210 | 19 | 19,3 | 38 | 25 | 38,0 |
| 150 | 65 | 260 | 328 | 420 | 470 | 210 | 145 | 19 | 240 | 19 | 17,3 | 35 | 25 | 33,0 |
| 150 | 80 | 280 | 336 | 436 | 473 | 220 | 160 | 19 | 240 | 19 | 17,3 | 35 | 25 | 36,5 |
| 150 | 100 | 310 | 373 | 483 | 516 | 220 | 180 | 19 | 240 | 19 | 19,3 | 38 | 25 | 40,0 |
| 150 | 150 | 400 | 462 | 605 | 605 | 250 | 240 | 19 | 240 | 19 | 19,3 | 38 | 25 | 56,0 |
| 200 | 65 | 260 | 328 | 420 | 498 | 250 | 145 | 19 | 295 | 19 | 17,3 | 35 | 25 | 43,5 |
| 200 | 80 | 280 | 336 | 436 | 506 | 250 | 160 | 19 | 295 | 20 | 17,3 | 35 | 25 | 46,5 |
| 200 | 100 | 310 | 373 | 483 | 543 | 250 | 180 | 19 | 295 | 20 | 19,3 | 38 | 25 | 49,0 |
| 200 | 150 | 400 | 462 | 605 | 632 | 275 | 240 | 19 | 295 | 20 | 19,3 | 38 | 28 | 66,0 |
| 200 | 200 | 460 | 563 | 733 | 733 | 295 | 295 | 20 | 295 | 20 | 24,3 | 48 | 32 | 88,0 |
Тройник фланцевый с одной встроенной клиновой задвижкой
Дополнительно:
Задвижка Hawle Е2 фланец-раструб SYSTEM 2000
Артикул:4041Е2
| DN, (мм) | Ру, (МПа) | Диаметр трубы | Фланцы | Болты | Задвижка | Шпиндель | Масса,(кг) | ||||||||||||
| D, (мм) | b, (мм) | k, (мм) | d4, (мм) | f, (мм) | К-во | Резьба | d2, (мм) | t, (мм) | Н, (мм) | Н1, (мм) | L, (мм) | В, (мм) | а, (мм) | с, (мм) | d1, (мм) | ||||
| 50 | 1.0 | 63 | 165 | 19 | 125 | 98 | 3 | 4 | М 16 | 19 | 83 | 260 | 342 | 188 | 143 | 14,8 | 30 | 22 | 10,5 |
| 1.6 | |||||||||||||||||||
| 65 | 1.0 | 75 | 185 | 19 | 145 | 118 | 3 | 4 | М 16 | 19 | 85 | 328 | 420 | 205 | 180 | 17,3 | 35 | 25 | 15,5 |
| 1.6 | |||||||||||||||||||
| 80 | 1.0 | 90 | 200 | 19 | 160 | 133 | 3 | 8 | М 16 | 19 | 88 | 336 | 436 | 211 | 180 | 17,3 | 35 | 25 | 17,5 |
| 1.6 | |||||||||||||||||||
| 100 | 1.0 | 110 | 220 | 19 | 180 | 153 | 3 | 8 | М 16 | 19 | 88 | 373 | 483 | 221 | 213 | 19,3 | 38 | 25 | 22,0 |
| 1.6 | |||||||||||||||||||
| 1.0 | 125 | 220 | 19 | 180 | 153 | 3 | 8 | М 16 | 19 | 88 | 373 | 483 | 225 | 213 | 19,3 | 38 | 25 | 23,0 | |
| 1.6 | |||||||||||||||||||
| 125 | 1.0 | 140 | 250 | 19 | 210 | 183 | 3 | 8 | М 16 | 19 | 96 | 450 | 575 | 239 | 285 | 19,3 | 38 | 28 | 33,5 |
| 1.6 | |||||||||||||||||||
| 150 | 1.0 | 160 | 285 | 19 | 240 | 209 | 3 | 8 | М 20 | 23 | 108 | 462 | 605 | 263 | 285 | 19,3 | 38 | 28 | 40,0 |
| 1.6 | |||||||||||||||||||
| 1.0 | 180 | 285 | 19 | 240 | 209 | 3 | 8 | М 20 | 23 | 118 | 462 | 605 | 276 | 285 | 19,3 | 38 | 28 | 43,0 | |
| 1.6 | |||||||||||||||||||
| 200 | 1.0 | 200 | 340 | 20 | 295 | 264 | 3 | 8 | М 20 | 23 | 128 | 563 | 733 | 298 | 357 | 24,3 | 48 | 32 | 65,0 |
| 1.6 | 12 | ||||||||||||||||||
| 1.0 | 250 | 340 | 20 | 295 | 264 | 3 | 8 | М 20 | 23 | 130 | 563 | 733 | 298 | 357 | 24,3 | 48 | 32 | 66,0 | |
| 1.6 | 12 | ||||||||||||||||||
| 250 | 1.0 | 250 | 400 | 22 | 350 | 319 | 3 | 12 | М 20 | 23 | 147 | 670 | 870 | 325 | 432 | 27,3 | 48 | 34 | 102,0 |
| 1.6 | 355 | М 24 | 28 | ||||||||||||||||
| 1.0 | 280 | 400 | 22 | 350 | 319 | 3 | 12 | М 20 | 23 | 150 | 670 | 870 | 335 | 432 | 27,3 | 48 | 34 | 105,0 | |
| 1.6 | 355 | М 24 | 28 | ||||||||||||||||
| 300 | 1.0 | 315 | 455 | 24,5 | 400 | 367 | 4 | 12 | М 20 | 23 | 176 | 753 | 981 | 371 | 518 | 27,3 | 48 | 34 | 158,0 |
| 1.6 | 410 | М 24 | 28 | ||||||||||||||||
Упруго-запирающаяся клиновая задвижка с фланцем и раструбом для ПЭ (ПЭ 80/100) и ПВХ труб
Дополнительно:
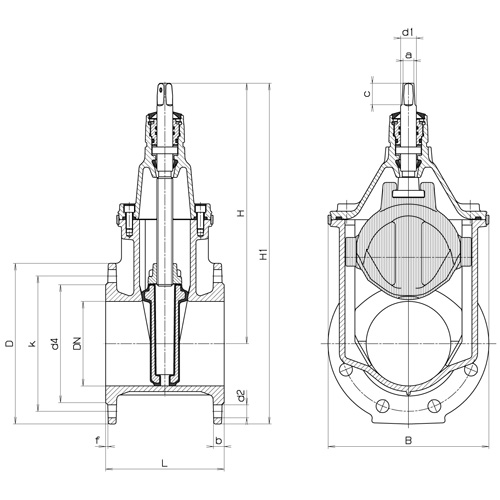
Задвижка Hawle клиновая раструбная
Артикул:4600
| DN, (мм) | Диаметр трубы | Задвижка | Шпиндель | Масса, (кг) | |||||||
| D1, (мм) | E, (мм) | H, (мм) | H1, (мм) | L, (мм) | B, (мм) | а, (мм) | с, (мм) | d1, (мм) | |||
| 80 | 90 | 130 | 105 | 288 | 353 | 292 | 160 | 17,3 | 35 | 25 | 13,5 |
| 100 | 110 | 151 | 115 | 334 | 410 | 305 | 188 | 19,3 | 38 | 25 | 18,0 |
| 150 | 160 | 207 | 133 | 465 | 568 | 357 | 280 | 19,3 | 38 | 28 | 34,5 |
Упруго-запирающаяся клиновая задвижка с раструбами для ПВХ труб
Дополнительно:









































