Затворы поворотные межфланцевые
Материал:
- корпус из серого чугуна или из алюминиевого сплава.
Преимущества:
- не требует технического обслуживания;
- при максимальном давлении, начиная с DN 200, поставляется со сквозным валом (версия TS);
- возможно одностороннее закрытие глухим фланцем DN 20-250 — 3 бар; DN 300-600 — 2 бар (не для корпуса из алюминия);
- может устанавливаться в любом положении;
- диапазон температур: от — 20°С до + 160°С в зависимости от давления, среды и материала;
- рабочее давление max 16 бар;
- возможна комплектация различными типами приводов.
Область применения (в зависимости от исполнения):
- холодная и горячая вода, сточные воды, канализация;
- слабые растворы кислот, щелочей и солей;
- масла и нефтепродукты;
- пневматика, природный газ, воздух и др.
Свернуть описания Развернуть описания
Фиксирующая ручка
| DN, (мм) | Фиксирующая ручка | F, (мм) | H, (мм) | L, (мм) | Масса, (кг) |
| 20-65 | Размер I | 54 | 70 | 155 | 0,1 |
| 80-125 | Размер II | 65 | 80 | 195 | 0,15 |
| 150-200 | Размер III | 90 | 100 | 276 | 0,5 |
Дополнительно:
Ручной редуктор
| DN, (мм) | Фиксирующая ручка | H, (мм) | J, (мм) | K, (мм) | L, (мм) | Масса, (кг) | |
| 20-65 | Размер I | 89 | 39 | 125 | 152 | 1,9 | |
| 80-125 | Размер II | 89 | 39 | 125 | 159 | 1,4 | |
| 150-200 | Размер III | 129 | 47 | 200 | 202 | 2,3 | |
| 250 | Размер IV | 129 | 60 | 200 | 252 | 2,8 | |
| 300-350 | Размер V | 158 | 76 | 250 | 280 | 6,3 | |
| 400-450 | Размер VI | 228 | 90 | 356 | 322 | 16,0 | |
| 500 | Размер VII | 278 | 123 | 457 | 406 | 30,5 | |
| 600 | Размер VIII | 355 | 154 | 610 | 466 | 45,0 | |
Дополнительно:
Электрический привод
WS — переменный ток;
DS — трехфазный ток.
| DN, (мм) | Привод | H, (мм) | J/DS, (мм) | J/WS, (мм) | К, (мм) | L, (мм) | М, (мм) | Масса, (кг) |
| 20-65 | Е60 | 158 | 171 | 171 | 62 | 82 | 110 | 5,5 |
| 80-125 | Е100 | 183 | 206 | 246 | 74 | 121 | 131 | 11,5 |
| 150-200 | Е150 | 200 | 238 | 278 | 105 | 189 | 155 | 21,0 |
| 250 | Е200 | 212 | 313 | 313 | 124 | 283 | 220 | 34,0 |
Дополнительно:
Пневматический привод двойного действия
Управляющее давление:
- 6 бар;
Рабочее давление:
- DN 20 — DN 300 10 бар;
- DN 350 6 бар;
- DN 450 — DN 900 3 бар.
DN, (мм) | Привод | H, (мм) | J, (мм) | К, (мм) | L, (мм) | Масса, (кг) |
20-65 | ЕВ4 | 96 | 74 | 49 | 145 | 1,1 |
80-125 | ЕВ5 | 108 | 88 | 55 | 174 | 1,7 |
150 | ЕВ6 | 123 | 103 | 62 | 208 | 2,6 |
200 | ЕВ8 | 136 | 115 | 68 | 250 | 4,3 |
250-300 | ЕВ10 | 155 | 135 | 79 | 312 | 6,8 |
350-450 | ЕВ12 | 182 | 159 | 94 | 367 | 12,0 |
500 | ЕВ265 | 232 | 152 | 76 | 390 | 18,0 |
600-700 | ЕВ270 | 278 | 220 | 110 | 445 | 32,0 |
800-900 | ЕВ280 | 278 | 220 | 110 | 600 | 42,0 |
Дополнительно:
Пневматический привод одинарного действия
Управляющее давление:
- 6 бар
Рабочее давление:
- DN 20 — DN 300 10 бар;
- DN 350 6 бар;
- DN 450 — DN 900 3 бар.
| DN, (мм) | Привод | H, (мм) | J, (мм) | К, (мм) | L, (мм) | Масса, (кг) |
| 20-100 | ЕВ5 | 108 | 88 | 55 | 273 | 3,0 |
| 125 | ЕВ6 | 123 | 103 | 62 | 326 | 5,0 |
| 150 | ЕВ8 | 136 | 115 | 68 | 389 | 7,7 |
| 200 | ЕВ10 | 155 | 135 | 79 | 526 | 14,3 |
| 250-300 | ЕВ12 | 182 | 159 | 94 | 658 | 25,4 |
| 350-400 | ЕВ270 | 278 | 220 | 110 | 655 | 45,0 |
| 450-600 | ЕВ280 | 278 | 220 | 110 | 1020 | 68,0 |
Дополнительно:
Блок тип MSK/NSK
- MSK — блок электрический;
- NSK — блок индуктивный.
Каждый пневмопривод комплектуется блоком MSK или NSK в обязательном порядке
Дополнительно:
Клапан распределения воздуха
Каждый пневмопривод комплектуется клапаном распределения воздуха в обязательном порядке
Дополнительно:
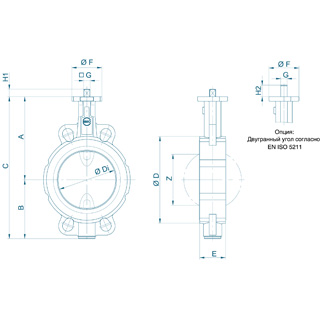
Затвор поворотный межфланцевый Z 011-A
| DN, (мм) | A, (мм) | B, (мм) | C, (мм) | D, (мм) | Di, (мм) | E, (мм) | F, (мм) | Фланец | G, (мм) | H1, (мм) | H2, (мм) | Z*** | Масса, (кг) | |
| Разделенный вал | ТS вал | |||||||||||||
| 20 | 104 | 45 | 149 | 59 | 31,5 | 33 | 54 | F04 | 11 | 12 | 19 | - | 1,3 | - |
| 25 | 104 | 45 | 149 | 63 | 31,5 | 33 | 54 | F04 | 11 | 12 | 19 | - | 1,3 | - |
| 32 | 104 | 50 | 154 | 68 | 31,5 | 33 | 54 | F04 | 11 | 12 | 19 | - | 1,4 | - |
| 40 | 113 | 66 | 179 | 80 | 38 | 33 | 54 | F04 | 11 | 12 | 19 | 22 | 1,8 | - |
| 50 | 126 | 84 | 210 | 95 | 48,5 | 43 | 54 | F04 | 11 | 12 | 19 | 25 | 2,2 | - |
| 65 | 134 | 93 | 227 | 115 | 63,5 | 46 | 54 | F04 | 11 | 12 | 19 | 45 | 2,9 | - |
| 80 | 157 | 104 | 261 | 138 | 78,5 | 46 | 65 | F05 | 14 | 16 | 25 | 65 | 4,0 | 4,5 |
| 100 | 167 | 115 | 282 | 158 | 98,5 | 52 | 65 | F05 | 14 | 16 | 25 | 85 | 5,2 | 5,8 |
| 125 | 180 | 127 | 307 | 188 | 123,5 | 56 | 65 | F05 | 14 | 16 | 25 | 111 | 6,9 | 7,5 |
| 150 | 203 | 150 | 353 | 212 | 148 | 56 | 90 | F07 | 17 | 19 | 30 | 139 | 9,5 | 11,0 |
| 200 | 228 | 176 | 404 | 268 | 199 | 60 | 90 | F07 | 17 | 19 | 30 | 190 | 13,2 | 15,0 |
| 250 | 266 | 212 | 478 | 320 | 248 | 68 | 125 | F10 | 22 | 24 | 39 | 240 | 22,5 | 25,5 |
| 300 | 291 | 237 | 528 | 370 | 296 | 78 | 125 | F10 | 22 | 24 | 39 | 287 | 31,5 | 35,0 |
| 350 | 332 | 269 | 601 | 408 | 338 | 78 (92)** | 150 | F12 | * | * | - | 330 | 39,4 | 45,0 |
| 400 | 363 | 314 | 677 | 470 | 388 | 102 | 150 | F12 | * | * | - | 378 | 58,7 | 64,5 |
| 450 | 397 | 335 | 732 | 530 | 430,5 | 114 | 210 | F16 | * | * | - | 417 | 91,0 | 95,5 |
| 500 | 437 | 405 | 842 | 574 | 494,5 | 127 | 210 | F14/ F16 | * | * | - | 474 | 107,0 | 113,5 |
| 600 | 498 | 469 | 967 | 675 | 590 | 154 | 300 | F16/ F25 | * | * | - | 563 | 171,0 | 198,0 |
| 700 | 581 | 507 | 1088 | 772 | 680 | 165 | 300 | F16/ F25 | * | * | - | 660 | 251,0 | 304,0 |
| 800 | 630 | 556 | 1186 | 874 | 780 | 190 | 300 | F25 | * | * | - | 757 | 355,0 | 375,0 |
| 900 | 696 | 617 | 1313 | 973 | 880 | 203 | 300 | F25 | * | * | - | 860 | 456,0 | 498,0 |
| 1000 | 771 | 675 | 1446 | 1070 | 980 | 216 | 350 | F30 | * | * | - | 956 | 570,0 | 718,0 |
| 1200 | 880 | 810 | 1690 | 1510 | 1170 | 254 | 350 | F30 | * | * | - | 1154 | - | 1156,0 |
* в соответствии с установленным приводом;
** габаритная длина согласно EN 558 ряд 20 (92 мм);
*** размер выхода диска.Дополнительно:














