Хомуты соединительные
Материал:
- стяжной механизм из нержавеющей и оцинкованной стали.
Преимущества:
- соединяет трубы из различных материалов;
- компенсирует допуски без напряжения;
- малые габариты, монтируются без обработки концов труб;
- не требуется проведение защитных мер;
- быстрота повторного применения;
- компенсируют шум, вибрацию, осевые и угловые смещения;
- быстрота монтажа.
Область применения:
- водопроводы;
- газопроводы;
- системы удаления отходов;
- очистные сооружения;
- системы охлаждения;
- бензопроводы;
- воздухопроводы.
Свернуть описания Развернуть описания
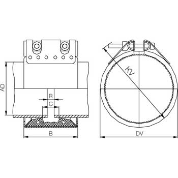
STRAUB-COMBI-GRIP Ø 40.0 – 250.0 мм
| AD, (мм) | Допуск на диаметр | Давление номин. PN, (bar) | Размеры | Зазор R | Ключ монтажный | ||||||||
| Пластик | Металл | Пластик, (мм) | Металл, (мм) | B, (мм) | C, (мм) | После стяжки | Без прокладки (мм) | С прокладкой (мм) | Момент затяжки, (Nm) | SW, (мм) | Резьба М | ||
| DV, (мм) | KV, (мм) | ||||||||||||
| 40.0 | 38.0 | 39.0 — 40.5 | 37.5 — 39.0 | 16 | 61 | 19 | 60 | 90 | 5 | 5 — 10 | 15 | 6 | 8 |
| 40.0 | 42.4 | 39.0 — 40.5 | 42.0 — 43.5 | 16 | 61 | 20 | 63 | 95 | 5 | 5 — 10 | 15 | 6 | 8 |
| 50.0 | 48.3 | 49.0 — 50.5 | 47.8 — 49.0 | 16 | 61 | 26 | 70 | 100 | 5 | 5 — 10 | 15 | 6 | 8 |
| 63.0 | 60.3 | 62.0 — 64.0 | 59.7 — 61.0 | 16 | 76 | 32 | 85 | 115 | 5 — 10 | 5 — 25 | 20 | 6 | 8 |
| 75.0 | 76.1 | 74.0 — 76.0 | 75.0 — 77.5 | 16 | 94 | 39 | 100 | 137 | 5 — 10 | 5 — 25 | 35 | 8 | 10 |
| 90.0 | 88.9 | 89.0 — 91.0 | 87.0 — 90.0 | 16 | 94 | 39 | 118 | 152 | 5 — 10 | 5 — 25 | 35 | 8 | 10 |
| 110.0 | 108.0 | 109.0 — 111.0 | 106.5 — 110.5 | 16 | 94 | 39 | 135 | 167 | 5 — 10 | 5 — 25 | 35 | 8 | 10 |
| 110.0 | 114.3 | 109.0 — 111.0 | 112.0 — 116.0 | 16 | 97 | 45 | 140 | 177 | 5 — 10 | 5 — 25 | 35 | 8 | 10 |
| 114.3 | 114.3 | 113.0 — 115.0 | 112.0 — 116.0 | 16 | 94 | 39 | 139 | 172 | 5 — 10 | 5 — 25 | 35 | 8 | 10 |
| 140.0 | 139.7 | 139.0 — 142.0 | 137.5 — 141.0 | 16 | 109 | 43 | 168 | 200 | 5 — 15 | 5 — 30 | 60 | 10 | 12 |
| 160.0 | 159.0 | 159.0 — 162.0 | 157.0 — 160.5 | 16 | 109 | 43 | 188 | 215 | 5 — 15 | 5 — 30 | 60 | 10 | 12 |
| 180.0 | 180.0 | 179.0 — 182.0 | 178.0 — 181.5 | 10 | 141 | 80 | 205 | 255 | 5 — 15 | 5 — 35 | 70 | 10 | 12 |
| 200.0 | 206.03 | 199.0 — 202.0 | 204.0 — 208.0 | 7 | 141 | 80 | 230 | 275 | 5 — 15 | 5 — 35 | 70 | 10 | 12 |
| 225.0 | 219.1 | 224.0 — 227.0 | 216.9 — 221.3 | 6 | 141 | 80 | 255 | 300 | 5 — 15 | 5 — 35 | 70 | 10 | 12 |
| 250.0 | 256.03 | 249.0 — 252.0 | 253.5 — 258.5 | 5 | 141 | 80 | 280 | 325 | 5 — 15 | 5 — 35 | 70 | 10 | 12 |
Дополнительно:
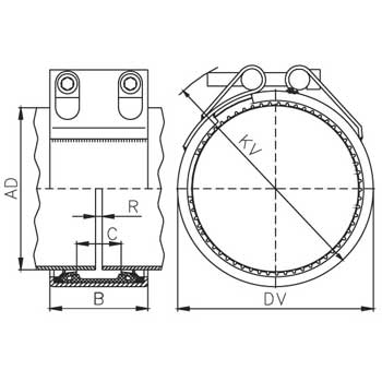
STRAUB-FLEX 1L Ø 48.3 – 168.3 мм
| AD, (мм) | Допуск на диаметр, (мм) | Давление номин. PN, (bar) | Давление рабочее PS, (bar) | Размеры | Зазор Rmax | Ключ монтажный | ||||||
| B, (мм) | C, (мм) | после стяжки | Без прокладки (мм) | С прокладкой (мм) | Момент затяжки, (Nm) | SW, (мм) | Резьба М | |||||
| DV, (мм) | KV, (мм) | |||||||||||
| 48.3 | 47.0 — 49.5 | 16 | 25 | 75 | 35 | 70 | 85 | 5 | 15 | 7.5 | 6 | 8 |
| 54.0 | 52.5 — 55.5 | 16 | 25 | 75 | 35 | 76 | 90 | 5 | 15 | 7.5 | 6 | 8 |
| 57.0 | 55.5 — 58.5 | 16 | 25 | 75 | 35 | 79 | 95 | 5 | 15 | 7.5 | 6 | 8 |
| 60.31 | 59.0 — 61.5 | 16 | 25 | 75 | 35 | 82 | 95 | 5 | 15 | 7.5 | 6 | 8 |
| 73.01 | 71.5 — 74.5 | 16 | 25 | 94 | 51 | 95 | 117 | 5 | 25 | 7.5 | 6 | 8 |
| 76.11 | 74.5 — 77.5 | 16 | 25 | 94 | 51 | 98 | 122 | 5 | 25 | 7.5 | 6 | 8 |
| 84.0 | 82.5 — 85.5 | 16 | 24 | 94 | 51 | 106 | 127 | 5 | 25 | 7.5 | 6 | 8 |
| 88.91 | 87.5 — 90.5 | 16 | 24 | 94 | 51 | 111 | 132 | 5 | 25 | 7.5 | 6 | 8 |
| 100.6 | 99.0 — 102.5 | 16 | 23 | 94 | 51 | 123 | 147 | 5 | 25 | 7.5 | 6 | 8 |
| 101.6 | 100.0 — 103.5 | 16 | 23 | 94 | 51 | 124 | 147 | 5 | 25 | 7.5 | 6 | 8 |
| 104.0 | 102.5 — 105.5 | 16 | 22 | 94 | 51 | 126 | 147 | 5 | 25 | 7.5 | 6 | 8 |
| 104.8 | 103.0 — 106.5 | 16 | 22 | 94 | 51 | 127 | 147 | 5 | 25 | 7.5 | 6 | 8 |
| 108.0 | 106.5 — 109.5 | 16 | 22 | 94 | 51 | 130 | 152 | 5 | 25 | 7.5 | 6 | 8 |
| 114.31 | 112.5 — 116.0 | 16 | 21 | 94 | 51 | 136 | 157 | 5 | 25 | 7.5 | 6 | 8 |
| 127.0 | 125.0 — 129.0 | 16 | 19 | 107 | 62 | 149 | 165 | 5 | 35 | 10 | 8 | 10 |
| 129.0 | 127.0 — 131.0 | 16 | 18 | 107 | 62 | 151 | 165 | 5 | 35 | 10 | 8 | 10 |
| 130.2 | 128.5 — 132.0 | 16 | 18 | 107 | 62 | 152 | 165 | 5 | 35 | 10 | 8 | 10 |
| 133.0 | 131.0 — 135.0 | 16 | 16 | 107 | 62 | 155 | 170 | 5 | 35 | 10 | 8 | 10 |
| 139.7 | 138.0 — 141.5 | 16 | 16 | 107 | 62 | 162 | 175 | 5 | 35 | 10 | 8 | 10 |
| 141.3 | 139.5 — 143.0 | 16 | 16 | 107 | 62 | 163 | 180 | 5 | 35 | 10 | 8 | 10 |
| 154.0 | 152.0 — 156.0 | 16 | 16 | 107 | 62 | 176 | 190 | 5 | 35 | 10 | 8 | 10 |
| 159.0 | 157.0 — 161.0 | 16 | 16 | 107 | 62 | 181 | 195 | 5 | 35 | 10 | 8 | 10 |
| 168.3 | 166.0 — 170.5 | 16 | 16 | 107 | 62 | 190 | 205 | 5 | 35 | 10 | 8 | 10 |
Соединение с двумя свойствами - как соединительно-уплотнительная функция, так и функция компенсатора в одной муфте
Рабочее давление до 16/25 bar;
Диапазон температур — 20°С до +80°С.
Дополнительно:
STRAUB-FLEX 2 Ø 180.0 – 1600.0 мм
| AD, (мм) | Допуск на диаметр, (мм) | Давление рабочее FLEX 2 | Момент затяжки болтов FLEX 2 | Ключ монтажный FLEX 2 | ||||||||||
| L PS (bar) | LS PS (bar) | LU PS (bar) | H PS (bar) | XS PS (bar) | L (Nm) | LS (Nm) | LU (Nm) | H (Nm) | XS (Nm) | L/LS | LU/H | XS | ||
| 180.0 | 178 — 182 | 12.0 | 16.5 | 25.0 | - | 10 | 15 | 50 | - | 2 (42) x M10 mit SW 8 | 2 (42) x M12 mit SW 10 | 2 x M20 mit SW 17 | ||
| 200.0 | 198 — 202 | 11.0 | 15.0 | 25.0 | - | 10 | 15 | 30 | - | |||||
| 219.1 | 217 — 222 | 10.0 | 13.5 | 25.0 | - | 10 | 15 | 30 | - | |||||
| 250.0 | 248 — 253 | 9.0 | 12.0 | 24.0 | - | 10 | 15 | 30 | - | |||||
| 267.0 | 264 — 270 | 8.0 | 11.0 | 22.5 | - | 15 | 15 | 30 | - | |||||
| 273.0 | 270 — 276 | 8.0 | 11.0 | 22.0 | 25.0 | 15 | 15 | 30 | 30 | |||||
| 304.0 | 301 — 307 | 7.0 | 10.0 | 19.5 | 25.0 | 15 | 20 | 30 | 30 | |||||
| 323.9 | 321 — 327 | 7.0 | 9.5 | 18.5 | 25.0 | 15 | 20 | 30 | 30 | |||||
| 355.6 | 353 — 358 | 6.0 | 8.5 | 17.0 | 25.0 | 15 | 20 | 30 | 30 | |||||
| 406.4 | 404 — 409 | 5.5 | 7.5 | 15.0 | 22.0 | 25.0 | 20 | 20 | 30 | 40 | 120 | |||
| 457.2 | 454 — 460 | 5.0 | 6.5 | 13.0 | 19.0 | 25.0 | 20 | 20 | 40 | 40 | 120 | |||
| 508.0 | 505 — 511 | 4.5 | 6.0 | 12.0 | 17.0 | 25.0 | 20 | 25 | 40 | 40 | 120 | |||
| 558.8 | 556 — 562 | 4.0 | 5.5 | 10.5 | 16.0 | 25.0 | 25 | 25 | 40 | 50 | 140 | |||
| 609.6 | 606 — 613 | 3.5 | 5.0² | 10.0 | 14.0 | 25.0 | 25 | 25 | 40 | 50 | 140 | |||
| 711.2 | 708 — 715 | - | 4.0² | 8.5 | 12.0 | 25.0 | - | 30 | 50 | 50 | 140 | |||
| 762.0 | 758 — 766 | - | 4.0² | 8.0 | 12.0 | 23.5 | - | 30 | 50 | 60 | 160 | |||
| 812.8 | 809 — 817 | - | 3.5² | 7.5 | 11.0 | 22.0 | - | 30 | 50 | 60 | 160 | |||
| 914.4 | 910 — 918 | - | 3.5² | 6.5 | 10.0 | 20.0 | - | 35 | 60 | 60 | 160 | |||
| 1016.0 | 1012 — 1020 | - | 3.0² | 6.0 | 9.0 | 18.0 | - | 35 | 60 | 70 | 160 | |||
| 1117.6 | 1114 — 1122 | - | 2.5² | 5.5 | 8.0 | 16.0 | - | 40 | 70 | 70 | 180 | |||
| 1219.2 | 1215 — 1224 | - | 2.5² | 5.0² | 7.0² | 15.0 | - | 40 | 70 | 80 | 180 | |||
| 1320.8 | 1316 — 1325 | - | 2.5² | 4.5² | 7.0² | - | - | 45 | 60 | 70 | - | |||
| 1422.4 | 1418 — 1427 | - | 2.0² | 4.0² | 6.0² | - | - | 45 | 60 | 70 | - | |||
| 1524.0 | 1519 — 1529 | - | 2.0² | 4.0² | 6.0² | - | - | 45 | 70 | 80 | - | |||
| 1600.0 | 1595 — 1605 | - | 2.0² | 4.0² | 6.0² | - | - | 50 | 70 | 80 | - | |||
Соединение с двумя свойствами - как соединительно-уплотнительная функция, так и функция компенсатора в одной муфте
- Рабочее давление до 16/25 bar;
- Диапазон температур — 20ºС до +80°С.
- DV — диаметр наружн. муфта смонтирована = AD + 27 мм
- B — ширина муфты
- FLEX 2L = 138 мм
- FLEX 2LS = 139 мм
- FLEX 2LU = 141 мм
- FLEX 2H = 142 мм
- FLEX 2XS = 148 мм
- C — расстояние между уплотнительными губками
- Rmax:
- зазор между трубами с подкладкой = 35мм
- без подкладки =10 мм
- 2 — Корпус муфты из 2-х частей
Дополнительно:
STRAUB-FLEX 3 Ø 558.8 – 2032.0 мм
| AD, (мм) | Допуск на диаметр, (мм) | Давление рабочее FLEX 3 | Момент затяжки болтов FLEX 3 | Ключ монтажный FLEX 3 | ||||||
| LS PS (bar) | H PS (bar) | X PS (bar) | LS (Nm) | H (Nm) | X (Nm) | LS | H | X | ||
| 558.8 | 555 — 562 | 7.0 | 19.0 | 25 | 40 | 40 | 90 | 3 (6*) x M12 mit SW 10 | 3 (6*) x M16 mit SW 14 | 3 x M20 mit SW 17 |
| 609.6 | 606 — 613 | 6.5 | 17.0 | 25 | 40 | 60 | 90 | |||
| 711.2 | 707 — 715 | 5.5 | 15.0 | 25 | 40 | 60 | 90 | |||
| 762.0 | 758 — 766 | 5.0 | 14.0 | 25 | 40 | 60 | 90 | |||
| 812.8 | 809 — 817 | 5.0 | 13.0 | 25 | 50 | 60 | 110 | |||
| 914.4 | 910 — 918 | 4.5 | 11.5 | 23 | 50 | 80 | 110 | |||
| 1016.0 | 1012 — 1020 | 4.0 | 10.5 | 20 | 50 | 80 | 125 | |||
| 1117.6 | 1113 — 1122 | 3.5 | 9.5 | 18 | 50 | 80 | 125 | |||
| 1219.2 | 1215 — 1224 | 3.52 | 8.52 | 172 | 50 | 100 | 140 | |||
| 1320.8 | 1316 — 1325 | 3.02 | 8.02 | 162 | 50 | 100 | 140 | |||
| 1422.4 | 1418 — 1427 | 3.02 | 7.52 | 152 | 60 | 100 | 160 | |||
| 1524.0 | 1519 — 1529 | 2.52 | 7.02 | 142 | 60 | 100 | 160 | |||
| 1625.6 | 1621 — 1631 | 2.52 | 6.52 | 132 | 60 | 120 | 180 | |||
| 1727.2 | 1722 — 1732 | 2.52 | 6.02 | 122 | 60 | 120 | 180 | |||
| 1828.8 | 1824 — 1834 | 2.02 | 5.52 | 112 | 70 | 120 | 200 | |||
| 1930.4 | 1925 — 1935 | 2.02 | 5.52 | 112 | 70 | 140 | 200 | |||
| 2032.0 | 2027 — 2037 | 2.02 | 5.02 | 102 | 70 | 140 | 220 | |||
Соединение с двумя свойствами - как соединительно-уплотнительная функция, так и функция компенсатора в одной муфте
- Рабочее давление до 16/25 bar;
- Диапазон температур — 200С до +800С.
- DV — диаметр наружн. муфта смонтирована = AD + 27 мм
- B — ширина муфты
- FLEX 2L = 138 мм
- FLEX 2LS = 139 мм
- FLEX 2LU = 141 мм
- FLEX 2H = 142 мм
- FLEX 2XS = 148 мм
- C — расстояние между уплотнительными губками
- Rmax:
- зазор между трубами с подкладкой = 35мм
- без подкладки =10 мм
- 2 — Корпус муфты из 2-х частей
Дополнительно:
STRAUB-GRIP-L Ø 180.0 – 609.6 мм
| AD, (мм) | Допуск на диаметр, (мм) | Давление номин. PN, (bar) | Давление рабочее PS, (bar) | Размеры | Зазор R | Ключ монтажный | ||||||
| B, (мм) | C, (мм) | DV, (мм) | KV, (мм) | Без прокладки (мм) | С прокладкой (мм) | Момент затяжки, (Nm) | SW, (мм) | Резьба М | ||||
| 180.0 | 178.0 — 182.0 | - | 16 | 141 | 80 | 205 | 255 | 5 — 10 | 5 — 35 | 50 | 10 | 12 |
| 193.7 | 192.0 — 195.5 | - | 16 | 141 | 80 | 224 | 270 | 50 | 10 | 12 | ||
| 200.0 | 198.0 — 202.0 | - | 15 | 141 | 80 | 230 | 275 | 50 | 10 | 12 | ||
| 204.0 | 202.0 — 206.0 | - | 14 | 141 | 80 | 234 | 280 | 50 | 10 | 12 | ||
| 206.03 | 204.0 — 208.0 | - | 14 | 141 | 80 | 234 | 280 | 50 | 10 | 12 | ||
| 244.5 | 242.0 — 247.0 | 5.5 | 9 | 141 | 80 | 275 | 320 | 50 | 10 | 12 | ||
| 250.0 | 247.5 — 252.5 | 5.5 | 9 | 141 | 80 | 280 | 325 | 50 | 10 | 12 | ||
| 254.0 | 251.5 — 256.5 | 5.5 | 9 | 141 | 80 | 284 | 325 | 50 | 10 | 12 | ||
| 256.03 | 253.5 — 258.5 | 5.5 | 9 | 141 | 80 | 284 | 325 | 50 | 10 | 12 | ||
| 267.0 | 264.5 — 269.5 | 5 | 8 | 141 | 80 | 297 | 340 | 50 | 10 | 12 | ||
| 273.0 | 270.5 — 275.5 | 4 | 7 | 141 | 80 | 303 | 345 | 50 | 10 | 12 | ||
| 304.0 | 301.0 — 307.0 | 4 | 6 | 141 | 80 | 334 | 375 | 60 | 10 | 12 | ||
| 306.03 | 303.0 — 309.0 | 4 | 6 | 141 | 80 | 334 | 375 | 60 | 10 | 12 | ||
| 323.9 | 320.5 — 327.0 | 3 | 5 | 141 | 80 | 354 | 395 | 70 | 10 | 12 | ||
| 355.6 | 352.0 — 359.0 | 2.5 | 4 | 141 | 80 | 386 | 425 | 70 | 10 | 12 | ||
| 406.4 | 402.5 — 410.5 | 2 | 3 | 141 | 80 | 436 | 470 | 70 | 10 | 12 | ||
| 457.2 | 452.5 — 461.5 | - | 2 | 141 | 80 | 487 | 520 | 70 | 10 | 12 | ||
| 508.0 | 503.5 — 512.5 | - | 2 | 141 | 80 | 538 | 570 | 70 | 10 | 12 | ||
| 558.8 | 554.5 — 563.5 | - | 2 | 141 | 80 | 589 | 620 | 70 | 10 | 12 | ||
| 609.6 | 605.5 — 614.0 | - | 1 | 141 | 80 | 640 | 670 | 70 | 10 | 12 | ||
Облегченный вариант муфт — для промышленных установок при температуре до 80°С
Рабочее давление до 46 bar;
Диапазон температур — 20°С до +80°С.
Дополнительно:
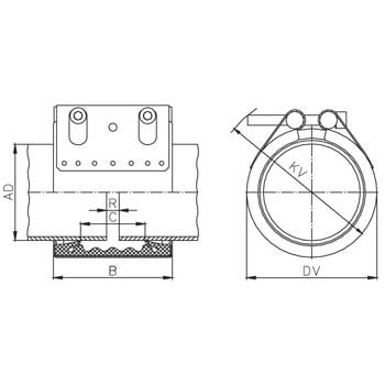
STRAUB-GRIP-L Ø 26.9 – 219.1 мм
| AD, (мм) | Допуск на диаметр, (мм) | Давление номин. PN, (bar) | Давление рабочее PS, (bar) | Размеры | Зазор R | Ключ монтажный | ||||||
| B, (мм) | C, (мм) | DV, (мм) | KV, (мм) | Без прокладки (мм) | С прокладкой (мм) | Момент затяжки, (Nm) | SW, (мм) | Резьба М | ||||
| 26.9 | 26.4 — 27.4 | 16 | 46 | 46 | 19 | 43 | 70 | 5 | 5 | 7.5 | 5 | 6 |
| 30.0 | 29.5 — 30.5 | 16 | 42 | 46 | 17 | 47 | 75 | 5 | 5 | 7.5 | 5 | 6 |
| 33.7 | 33.2 — 34.2 | 16 | 38 | 46 | 17 | 51 | 75 | 5 | 5 | 7.5 | 5 | 6 |
| 38.0 | 37.5 — 38.5 | 16 | 33 | 61 | 25 | 57 | 90 | 5 | 5 — 10 | 15 | 6 | 8 |
| 42.4 | 41.9 — 42.9 | 16 | 30 | 61 | 25 | 62 | 95 | 5 | 5 — 10 | 15 | 6 | 8 |
| 44.5 | 44.0 — 45.0 | 16 | 33 | 61 | 25 | 64 | 95 | 5 | 5 — 10 | 15 | 6 | 8 |
| 48.31 | 47.8 — 48.8 | 16 | 30 | 61 | 25 | 67 | 100 | 5 | 5 — 10 | 15 | 6 | 8 |
| 54.0 | 53.5 — 54.5 | 16 | 20 | 76 | 37 | 76 | 105 | 5 — 10 | 5 — 15 | 15 | 6 | 8 |
| 57.0 | 56.4 — 57.6 | 16 | 18 | 76 | 37 | 76 | 105 | 5 — 10 | 5 — 15 | 15 | 6 | 8 |
| 60.31 | 59.7 — 60.9 | 16 | 22 | 76 | 37 | 79 | 110 | 5 — 10 | 5 — 15 | 15 | 6 | 8 |
| 66.6 | 64.9 — 67.3 | 16 | 34 | 95 | 35 | 87 | 126 | 5 — 10 | 5 — 15 | 20 | 6 | 8 |
| 70.0 | 68.9 — 70.7 | 16 | 32 | 95 | 36 | 92 | 131 | 5 — 10 | 5 — 15 | 20 | 6 | 8 |
| 73.01 | 72.3 — 73.7 | 16 | 31 | 95 | 41 | 96 | 142 | 5 — 10 | 5 — 25 | 20 | 6 | 8 |
| 76.11 | 75.3 — 76.9 | 16 | 31 | 95 | 41 | 98 | 142 | 5 — 10 | 5 — 25 | 20 | 6 | 8 |
| 79.5 | 78.7 — 80.3 | 16 | 28 | 95 | 35 | 100 | 142 | 5 — 10 | 5 — 15 | 20 | 6 | 8 |
| 84.0 | 83.2 — 84.8 | 16 | 26 | 95 | 35 | 112 | 152 | 5 — 10 | 5 — 15 | 20 | 6 | 8 |
| 88.91 | 88.0 — 89.8 | 16 | 22 | 95 | 41 | 111 | 157 | 5 — 10 | 5 — 25 | 20 | 6 | 8 |
| 100.6 | 99.6 — 101.6 | 16 | 22 | 95 | 35 | 129 | 172 | 5 — 10 | 5 — 15 | 25 | 6 | 8 |
| 101.6 | 100.6 — 102.6 | 16 | 22 | 95 | 35 | 130 | 172 | 5 — 10 | 5 — 15 | 25 | 6 | 8 |
| 104.0 | 103.0 — 105.0 | 16 | 22 | 95 | 35 | 132 | 172 | 5 — 10 | 5 — 15 | 25 | 6 | 8 |
| 104.8 | 103.8 — 105.8 | 16 | 22 | 95 | 35 | 133 | 172 | 5 — 10 | 5 — 15 | 25 | 6 | 8 |
| 108.0 | 106.9 — 109.1 | 16 | 21 | 95 | 41 | 130 | 172 | 5 — 10 | 5 — 25 | 25 | 6 | 8 |
| 114.31 | 113.2 — 115.4 | 16 | 16 | 95 | 41 | 136 | 177 | 5 — 10 | 5 — 25 | 25 | 6 | 8 |
| 127.0 | 125.7 — 128.3 | 16 | 19 | 110 | 54 | 151 | 195 | 5 — 10 | 5 — 35 | 40 | 8 | 10 |
| 129.0 | 127.7 — 130.3 | 16 | 19 | 110 | 54 | 153 | 195 | 5 — 10 | 5 — 35 | 40 | 8 | 10 |
| 130.2 | 128.9 — 131.5 | 16 | 19 | 110 | 54 | 154 | 200 | 5 — 10 | 5 — 35 | 40 | 8 | 10 |
| 133.0 | 131.7 — 134.3 | 16 | 19 | 110 | 54 | 157 | 200 | 5 — 10 | 5 — 35 | 40 | 8 | 10 |
| 139.7 | 138.3 — 141.1 | 16 | 16 | 110 | 54 | 164 | 210 | 5 — 10 | 5 — 35 | 40 | 8 | 10 |
| 141.3 | 139.9 — 142.7 | 16 | 16 | 110 | 54 | 166 | 210 | 5 — 10 | 5 — 35 | 40 | 8 | 10 |
| 154.0 | 152.5 — 155.5 | 13 | 16 | 110 | 48 | 184 | 225 | 5 — 10 | 5 — 30 | 40 | 8 | 10 |
| 159.0 | 157.4 — 160.6 | 13 | 16 | 110 | 54 | 183 | 225 | 5 — 10 | 5 — 35 | 40 | 8 | 10 |
| 168.3 | 166.6 — 170.0 | 13 | 16 | 110 | 54 | 192 | 230 | 5 — 10 | 5 — 35 | 40 | 8 | 10 |
| 219.1 | 216.9 — 221.3 | 10 | 16 | 142 | 80 | 250 | 295 | 5 — 10 | 5 — 35 | 60 | 10 | 12 |
Облегченный вариант муфт для промышленных установок при температуре до 800С
Рабочее давление до 46 bar;
Диапазон температур: — 20°С до +80°С.
Дополнительно:
STRAUB-METAL-GRIP Ø 244.5 – 609.6 мм
| AD, (мм) | Допуск на диаметр, (мм) | Давление номин. PN, (bar) | Давление рабочее PS, (bar) | Размеры | Зазор R | Ключ монтажный | ||||||
| B, (мм) | C, (мм) | DV, (мм) | KV, (мм) | Без прокладки (мм) | С прокладкой (мм) | Момент затяжки, (Nm) | Головка (мм) | Резьба М | ||||
| 244.5 | 242.0 — 247.0 | 14 | 27 | 148 | 67 | 290 | 345 | 5 — 15 | 5 — 35 | 180 | 17 | 20 |
| 267.0 | 264.5 — 269.5 | 12 | 24 | 148 | 67 | 312 | 365 | 180 | 17 | 20 | ||
| 273.0 | 270.5 — 275.5 | 12 | 21 | 148 | 67 | 318 | 370 | 180 | 17 | 20 | ||
| 323.9 | 320.5 — 327.0 | 10 | 18 | 148 | 67 | 369 | 420 | 230 | 17 | 20 | ||
| 355.6 | 352.0 — 359.0 | 8 | 17 | 148 | 67 | 401 | 450 | 230 | 17 | 20 | ||
| 406.4 | 402.5 — 410.5 | 8 | 14 | 148 | 67 | 451 | 500 | 230 | 17 | 20 | ||
| 457.2 | 452.5 — 462.0 | 6 | 8 | 148 | 67 | 502 | 550 | 250 | 17 | 20 | ||
| 508.0 | 503.0 — 513.0 | 5 | 6 | 148 | 67 | 553 | 600 | 250 | 17 | 20 | ||
| 558.8 | 554.0 — 564.0 | 4.5 | 6 | 148 | 67 | 604 | 650 | 300 | 17 | 20 | ||
| 609.6 | 604.5 — 614.5 | 4 | 5 | 148 | 67 | 655 | 700 | 300 | 17 | 20 | ||
Рабочее давление до 67 bar;
Диапазон температур — 300С до +1000С.
Дополнительно:
STRAUB-METAL-GRIP Ø 30.0 – 219.1 мм
| AD, (мм) | Допуск на диаметр, (мм) | Давление номин. PN, (bar) | Давление рабочее PS, (bar) | Размеры | Зазор R | Ключ монтажный | ||||||
| B, (мм) | C, (мм) | DV, (мм) | KV, (мм) | Без прокладки(мм) | С прокладкой (мм) | Момент затяжки, (Nm) | SW, (мм) | Резьба М | ||||
| 30.0 | 29.5 — 30.5 | 16 | 67 | 46/67 | 18 | 47 | 70 | 5 | 5 — 15 | 10 | 6 | 8 |
| 33.7 | 33.2 — 34.2 | 16 | 62 | 46/67 | 18 | 52 | 75 | 5 | 5 — 15 | 10 | 6 | 8 |
| 38.0 | 37.5 — 38.5 | 16 | 58 | 61 | 19 | 58 | 90 | 5 | 5 — 15 | 15 | 6 | 8 |
| 42.4 | 41.9 — 42.9 | 16 | 53 | 61 | 20 | 62 | 90 | 5 | 5 — 15 | 15 | 6 | 8 |
| 44.5 | 44.0 — 45.0 | 16 | 48 | 61 | 20 | 64 | 95 | 5 | 5 — 15 | 15 | 6 | 8 |
| 48.3 | 47.8 — 48.8 | 16 | 44 | 61 | 20 | 68 | 95 | 5 | 5 — 15 | 15 | 6 | 8 |
| 54.0 | 53.5 — 54.5 | 16 | 39 | 77 | 38 | 74 | 100 | 5 | 5 — 15 | 20 | 6 | 8 |
| 57.0 | 56.4 — 57.6 | 16 | 37 | 77 | 32 | 77 | 105 | 5 — 10 | 5 — 25 | 20 | 6 | 8 |
| 60.3 | 59.7 — 60.9 | 16 | 37 | 77 | 32 | 82 | 110 | 5 — 10 | 5 — 25 | 20 | 6 | 8 |
| 63.5 | 62.9 — 64.1 | 16 | 37 | 77 | 32 | 84 | 114 | 5 — 10 | 5 — 25 | 20 | 6 | 8 |
| 76.1 | 75.3 — 76.9 | 16 | 56 | 94 | 39 | 100 | 130 | 5 — 10 | 5 — 25 | 35 | 8 | 10 |
| 84.0 | 83.2 — 84.8 | 16 | 45 | 94 | 39 | 112 | 140 | 5 — 10 | 5 — 25 | 35 | 8 | 10 |
| 88.9 | 88.0 — 89.8 | 16 | 41 | 94 | 39 | 117 | 145 | 5 — 10 | 5 — 25 | 35 | 8 | 10 |
| 104.0 | 103.0 — 105.0 | 16 | 37 | 94 | 39 | 133 | 160 | 5 — 10 | 5 — 25 | 35 | 8 | 10 |
| 108.0 | 106.9 — 109.1 | 16 | 35 | 94 | 39 | 133 | 160 | 5 — 10 | 5 — 25 | 35 | 8 | 10 |
| 114.3 | 113.2 — 115.4 | 16 | 34 | 94 | 39 | 139 | 165 | 5 — 10 | 5 — 25 | 35 | 8 | 10 |
| 129.0 | 127.7 — 130.3 | 16 | 33 | 108 | 51 | 160 | 190 | 5 — 15 | 5 — 35 | 60 | 10 | 12 |
| 133.0 | 131.7 — 134.3 | 16 | 33 | 108 | 43 | 160 | 190 | 5 — 15 | 5 — 30 | 60 | 10 | 12 |
| 139.7 | 138.3 — 141.1 | 16 | 32 | 109 | 43 | 168 | 200 | 5 — 15 | 5 — 30 | 60 | 10 | 12 |
| 154.0 | 152.5 — 155.5 | 16 | 32 | 109 | 51 | 186 | 215 | 5 — 15 | 5 — 35 | 60 | 10 | 12 |
| 159.0 | 157.4 — 160.6 | 16 | 31 | 109 | 43 | 187 | 215 | 5 — 15 | 5 — 30 | 60 | 10 | 12 |
| 168.3 | 166.6 — 170.0 | 16 | 29 | 109 | 43 | 200 | 230 | 5 — 15 | 5 — 30 | 60 | 10 | 12 |
| 219.1 | 216.9 — 221.3 | 16 | 26 | 150 | 60 | 259 | 295 | 5 — 15 | 5 — 35 | 100 | 14 | 16 |
Рабочее давление до 67 bar;
Диапазон температур — 30°С до +100°С.
Дополнительно:
STRAUB-OPEN-FLEX 1L Ø 48.3 – 168.3 мм
| AD, (мм) | Допуск на диаметр, (мм) | Давление номин. PN, (bar) | Размеры | Зазор Rmax | Ключ монтажный | ||||||
| B, (мм) | C, (мм) | в раб. сост. | Без прокладки, (мм) | С прокладкой, (мм) | Момент затяжки, (Nm) | SW, (мм) | Резьба М | ||||
| DV, (мм) | KV, (мм) | ||||||||||
| 48.3 | 47.0 — 49.5 | 16 | 75 | 35 | 70 | 85 | 5 | 15 | 7.5 | 6 | 8 |
| 54.0 | 52.5 — 55.5 | 16 | 75 | 35 | 76 | 90 | 5 | 15 | 7.5 | 6 | 8 |
| 57.0 | 55.5 — 58.5 | 16 | 75 | 35 | 79 | 95 | 5 | 15 | 7.5 | 6 | 8 |
| 60.3 | 59.0 — 61.5 | 16 | 75 | 35 | 82 | 95 | 5 | 15 | 7.5 | 6 | 8 |
| 73.0 | 71.5 — 74.5 | 16 | 94 | 51 | 95 | 117 | 5 | 25 | 10 | 6 | 8 |
| 76.1 | 74.5 — 77.5 | 16 | 94 | 51 | 98 | 122 | 5 | 25 | 10 | 6 | 8 |
| 84.0 | 82.5 — 85.5 | 16 | 94 | 51 | 106 | 127 | 5 | 25 | 10 | 6 | 8 |
| 88.9 | 87.5 — 90.5 | 16 | 94 | 51 | 111 | 132 | 5 | 25 | 10 | 6 | 8 |
| 100.6 | 99.0 — 102.5 | 16 | 94 | 51 | 123 | 147 | 5 | 25 | 10 | 6 | 8 |
| 101.6 | 100.0 — 103.5 | 16 | 94 | 51 | 124 | 147 | 5 | 25 | 10 | 6 | 8 |
| 104.0 | 102.5 — 105.5 | 16 | 94 | 51 | 126 | 147 | 5 | 25 | 10 | 6 | 8 |
| 104.8 | 103.0 — 106.5 | 16 | 94 | 51 | 127 | 147 | 5 | 25 | 10 | 6 | 8 |
| 108.0 | 106.5 — 109.5 | 16 | 94 | 51 | 130 | 152 | 5 | 25 | 10 | 6 | 8 |
| 114.3 | 112.5 — 116.0 | 16 | 94 | 51 | 136 | 157 | 5 | 25 | 10 | 6 | 8 |
| 127.0 | 125.0 — 129.0 | 16 | 107 | 62 | 149 | 165 | 5 | 35 | 12 | 8 | 10 |
| 129.0 | 127.0 — 131.0 | 16 | 107 | 62 | 151 | 165 | 5 | 35 | 12 | 8 | 10 |
| 130.2 | 128.5 — 132.0 | 16 | 107 | 62 | 152 | 165 | 5 | 35 | 12 | 8 | 10 |
| 133.0 | 131.0 — 135.0 | 16 | 107 | 62 | 155 | 170 | 5 | 35 | 12 | 8 | 10 |
| 139.7 | 138.0 — 141.5 | 16 | 107 | 62 | 162 | 175 | 5 | 35 | 12 | 8 | 10 |
| 141.3 | 139.5 — 143.0 | 16 | 107 | 62 | 163 | 180 | 5 | 35 | 12 | 8 | 10 |
| 154.0 | 152.0 — 156.0 | 16 | 107 | 62 | 176 | 190 | 5 | 35 | 12 | 8 | 10 |
| 159.0 | 157.0 — 161.0 | 16 | 107 | 62 | 181 | 195 | 5 | 35 | 12 | 8 | 10 |
| 168.3 | 166.0 — 170.5 | 16 | 107 | 62 | 190 | 205 | 5 | 35 | 12 | 8 | 10 |
Муфты раскладные
Рабочее давление 16 bar.
Высота (H) =
- AD 48.3 — 60.3: 7.0 мм
- AD 73.0 — 114.3: 9.0 мм
- AD 127.0 — 168.3: 9.5 мм
Дополнительно:
STRAUB-OPEN-FLEX 2 Ø 180.0 – 1219.2 мм
| AD, (мм) | Допуск на диаметр, (мм) | Давление рабочее OPEN-FLEX 2 | Момент затяжки болтов OPEN-FLEX 2 | Ключ монтажный OPEN-FLEX 2 | |||||||
| L PS (bar) | LS PS (bar) | LU2 PS (bar) | H2 PS (bar) | L (Nm) | LS (Nm) | LU (Nm) | H (Nm) | L/ LS | LU/ H | ||
| 180.0 | 178 — 182 | 12.0 | 16.0 | - | - | 10 | 15 | - | - | 2 x M10 головка SW 8 | 2 (42) x M12 головка SW 10 |
| 200.0 | 198 — 202 | 11.0 | 15.0 | - | - | 10 | 15 | - | - | ||
| 219.1 | 217 — 222 | 10.0 | 13.5 | 16.0² | - | 10 | 15 | 30 | - | ||
| 250.0 | 248 — 253 | 9.0 | 12.0 | 16.0² | - | 10 | 15 | 30 | - | ||
| 267.0 | 264 — 270 | 8.0 | 11.0 | 16.0² | - | 15 | 15 | 30 | - | ||
| 273.0 | 270 — 276 | 8.0 | 11.0 | 16.0² | 16.0² | 15 | 15 | 30 | 30 | ||
| 304.0 | 301 — 307 | 7.0 | 10.0 | 16.0² | 16.0² | 15 | 20 | 30 | 30 | ||
| 323.9 | 321 — 327 | 7.0 | 9.5 | 16.0² | 16.0² | 15 | 20 | 30 | 30 | ||
| 355.6 | 353 — 358 | 6.0 | 8.5 | 16.0² | 16.0² | 15 | 20 | 30 | 30 | ||
| 406.4 | 404 — 409 | 5.5 | 7.5 | 15.0² | 16.0² | 20 | 20 | 30 | 40 | ||
| 457.2 | 454 — 460 | 5.0 | 6.5 | 13.0² | 16.0² | 20 | 20 | 40 | 40 | ||
| 508.0 | 505 — 511 | 4.5 | 6.0 | 10.0² | 16.0² | 20 | 25 | 40 | 40 | ||
| 558.8 | 556 — 562 | 4.0 | 5.5 | 9.0 | 16.0² | 25 | 25 | 40 | 50 | ||
| 609.6 | 606 — 613 | 3.5 | 5.0 | 8.0 | 14.0² | 25 | 25 | 40 | 50 | ||
| 711.2 | 707 — 715 | - | 4.0 | 7.0 | 12.0² | - | 30 | 50 | 50 | ||
| 762.0 | 758 — 766 | - | 4.0 | 6.5 | 12.0² | - | 30 | 50 | 60 | ||
| 812.8 | 809 — 817 | - | 3.5 | 6.0 | 11.0² | - | 30 | 50 | 60 | ||
| 914.4 | 910 — 918 | - | 3.5 | 5.5 | 10.0² | - | 35 | 60 | 60 | ||
| 1016.0 | 1012 — 1020 | - | 3.0 | 5.0 | 9.0² | - | 35 | 60 | 70 | ||
| 1117.6 | 1114 — 1122 | - | 2.5 | 4.5 | 8.0² | - | 40 | 70 | 70 | ||
| 1219.2 | 1215 — 1223 | - | 2.5 | 4.0 | 7.0² | - | 40 | 70 | 80 | ||
Муфты раскладные
Рабочее давление до 16 bar.
- DV — диаметр наружный в смонтированном состоянии = AD + 27 мм
- B — ширина муфты
- OPEN-FLEX 2L = 138 мм
- OPEN-FLEX 2LS = 139 мм
- OPEN-FLEX 2LU = 141 мм
- OPEN-FLEX 2H = 142 мм
- C — ширина между уплотнительными губками = 91 мм
- R — зазор между трубами
- с подкладкой = 35 мм
- без подкладки = 10 мм
- 2 — Корпус муфты из 2-х частей
Дополнительно:
STRAUB-OPEN-FLEX 3 Ø 558.8 – 2032.0 мм
| AD, (мм) | Допуск на диаметр, (мм) | Давление рабочее OPEN-FLEX 3 | Момент затяжки болтов OPEN-FLEX 3 | Ключ монтажный OPEN-FLEX 3 | |||
| LS PS (bar) | H PS (bar) | LS (Nm) | H (Nm) | LS | H | ||
| 558.8 | 555 — 562 | 7.0 | - | 40 | - | 3 (62) x M12 головка SW 10 | 62 x M16 головка SW 14 |
| 609.6 | 606 — 613 | 6.5 | - | 40 | - | ||
| 711.2 | 707 — 715 | 5.5 | - | 40 | - | ||
| 762.0 | 758 — 766 | 5.0 | - | 40 | - | ||
| 812.8 | 809 — 817 | 5.0 | - | 50 | - | ||
| 914.4 | 910 — 918 | 4.5 | - | 50 | - | ||
| 1016.0 | 1012 — 1020 | 4.0 | - | 50 | - | ||
| 1117.6 | 1113 — 1122 | 3.5 | - | 50 | - | ||
| 1219.2 | 1215 — 1224 | 3.5² | 8.5² | 50 | 60 | ||
| 1320.8 | 1316 — 1325 | 3.0² | 8.0² | 50 | 60 | ||
| 1422.4 | 1418 — 1427 | 3.0² | 7.5² | 60 | 70 | ||
| 1524.0 | 1519 — 1529 | 2.5² | 7.0² | 60 | 70 | ||
| 1625.6 | 1621 — 1631 | 2.5² | 6.5² | 60 | 80 | ||
| 1727.2 | 1722 — 1732 | 2.5² | 6.0² | 60 | 80 | ||
| 1828.8 | 1824 — 1834 | 2.0² | 5.5² | 70 | 90 | ||
| 1930.4 | 1925 — 1936 | 2.0² | 5.5² | 70 | 90 | ||
| 2032.0 | 2027 — 2037 | 2.0² | 5.0² | 70 | 100 | ||
Муфты раскладные
Рабочее давление до 16 bar;
Диапазон температур — 20°С до +80°С.
- DV — диаметр наружный в смонтированном состоянии = AD + 38 мм
- B — ширина муфты
- OPEN-FLEX 3LS = 210 мм
- OPEN-FLEX 3H = 212 мм
- C — ширина между уплотнительными губками = 127 мм
- R — зазор между трубами
- с подкладкой = 60 мм
- без подкладки = 15 мм
- 2 — корпус муфты из 2-х частей
Дополнительно:
STRAUB-PLAST-GRIP Ø 40.0 – 250.0 мм
| AD, (мм) | Допуск на диаметр, (мм) | Давление номин. PN, (bar) | Размеры | Зазор R | Ключ монтажный | ||||||
| B, (мм) | C, (мм) | DV, (мм) | KV, (мм) | Без прокладки (мм) | С прокладкой (мм) | Момент затяжки, (Nm) | SW, (мм) | Резьба М | |||
| 40.0 | 39.0 — 40.5 | 16 | 61 | 19 | 60 | 90 | 5 | 5 — 15 | 15 | 6 | 8 |
| 50.0 | 49.0 — 50.5 | 16 | 61 | 26 | 70 | 100 | 5 | 5 — 15 | 15 | 6 | 8 |
| 63.0 | 62.0 — 64.0 | 16 | 76 | 32 | 85 | 115 | 5 — 10 | 5 — 20 | 20 | 6 | 8 |
| 75.0 | 74.0 — 76.0 | 16 | 94 | 39 | 99 | 137 | 5 — 10 | 5 — 25 | 35 | 8 | 10 |
| 90.0 | 89.0 — 91.0 | 16 | 94 | 39 | 118 | 152 | 5 — 10 | 5 — 25 | 35 | 8 | 10 |
| 110.0 | 109.0 — 111.0 | 16 | 94 | 39 | 135 | 167 | 5 — 10 | 5 — 25 | 35 | 8 | 10 |
| 114.3 | 113.0 — 115.0 | 16 | 94 | 39 | 139 | 172 | 5 — 10 | 5 — 25 | 35 | 8 | 10 |
| 125.0 | 124.0 — 126.0 | 16 | 108 | 43 | 152 | 185 | 5 — 15 | 5 — 30 | 60 | 10 | 12 |
| 140.0 | 139.0 — 142.0 | 16 | 109 | 43 | 168 | 200 | 5 — 15 | 5 — 30 | 60 | 10 | 12 |
| 160.0 | 159.0 — 162.0 | 16 | 109 | 43 | 188 | 215 | 5 — 15 | 5 — 30 | 60 | 10 | 12 |
| 180.0 | 179.0 — 182.0 | 10 | 141 | 80 | 205 | 255 | 5 — 15 | 5 — 35 | 70 | 10 | 12 |
| 200.0 | 199.0 — 202.0 | 7 | 141 | 80 | 230 | 275 | 5 — 15 | 5 — 35 | 70 | 10 | 12 |
| 225.0 | 224.0 — 227.0 | 6 | 141 | 80 | 255 | 300 | 5 — 15 | 5 — 35 | 70 | 10 | 12 |
| 250.0 | 249.0 — 252.0 | 5 | 141 | 80 | 280 | 325 | 5 — 15 | 5 — 35 | 70 | 10 | 12 |
Универсальный тип для труб из пластика
Рабочее давление до 16 bar.
Дополнительно:
































