Фланцевые чугунные фасонные части
Материал фланца — ковкий и серый чугун, с эпоксидным покрытием.
Шпильки, гайки, шайбы — нержавеющая сталь.
Область применения фланцев:
- прокладка напорных трубопроводов водоснабжения.
Свернуть описания Развернуть описания
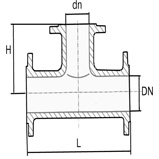
Неравнопроходной крест
Артикул:1521
| DN, (мм) | dn, (мм) | L, (мм) |
| 100 | 80 | 360 |
| 125 | 100 | 400 |
| 150 | 100 | 440 |
| 150 | 125 | 440 |
| 200 | 80 | 520 |
| 200 | 100 | 520 |
| 200 | 150 | 520 |
| 250 | 80 | 700 |
| 250 | 125 | 700 |
| 250 | 150 | 700 |
| 250 | 200 | 700 |
| 300 | 80 | 800 |
| 300 | 100 | 800 |
| 300 | 150 | 800 |
| 300 | 200 | 800 |
| 300 | 250 | 800 |
| 400 | 80 | 900 |
| 400 | 100 | 900 |
| 400 | 150 | 900 |
| 400 | 200 | 900 |
| 400 | 250 | 900 |
| 400 | 300 | 900 |
| 500 | 80 | 1000 |
| 500 | 150 | 1000 |
| 500 | 200 | 1000 |
| 500 | 250 | 1000 |
| 500 | 300 | 1000 |
| 500 | 400 | 1000 |
| 600 | 150 | 1100 |
| 600 | 200 | 1100 |
| 600 | 250 | 1100 |
| 600 | 300 | 1100 |
| 600 | 400 | 1100 |
| 600 | 500 | 1100 |
| 700 | 400 | 870 |
Дополнительно:
Отвод фланцевый 11°
Артикул:552
| DN, (мм) | b, (мм) | Масса, (кг) | |
| PN10 | PN16 | ||
| 50 | 150 | 9,0 | 9,0 |
| 65 | 165 | 12,0 | 12,0 |
| 80 | 130 | 9,5 | 9,5 |
| 100 | 140 | 11,9 | 11,9 |
| 125 | 150 | 15,3 | 15,3 |
| 150 | 160 | 19,0 | 19,0 |
| 200 | 180 | 26,0 | 25 0 |
| 250 | 210 | 41,5 | 41,0 |
| 300 | 255 | 60,0 | 59,5 |
| 400 | 113 | 58,0 | 67,5 |
| 500 | 135 | 85,0 | 113,0 |
| 600 | 174 | 157,0 | 202,0 |
| 700 | 194 | 243,0 | 269,0 |
| 800 | 213 | 330,0 | 366,0 |
| 900 | 280 | 368,0 | 363,0 |
| 1000 | 310 | 488,0 | 482,0 |
| 1200 | 300 | 684,0 | 774,0 |
Дополнительно:
Отвод фланцевый 22°
Артикул:553
| DN, (мм) | b, (мм) | Масса, (кг) | |
| PN10 | PN16 | ||
| 50 | 150 | 9,0 | 9,0 |
| 65 | 165 | 12,0 | 12,0 |
| 80 | 130 | 9,5 | 9,5 |
| 100 | 140 | 11,9 | 11,9 |
| 125 | 150 | 15,3 | 15,3 |
| 150 | 160 | 19,7 | 19,7 |
| 200 | 180 | 29,0 | 27,5 |
| 250 | 210 | 41,5 | 41,0 |
| 300 | 255 | 60,0 | 59,0 |
| 400 | 153 | 67,0 | 75,5 |
| 500 | 185 | 99,0 | 127,0 |
| 600 | 254 | 182,0 | 227,0 |
| 700 | 284 | 313,0 | 339,0 |
| 800 | 314 | 428,0 | 464,0 |
| 900 | 375 | 442,0 | 437,0 |
| 1000 | 410 | 587,0 | 581,0 |
| 1200 | 393 | 785,0 | 875,0 |
Дополнительно:
Отвод фланцевый 30°
Артикул:554
| DN, (мм) | b, (мм) | Масса, (кг) | |
| PN10 | PN16 | ||
| 50 | 150 | 9,0 | 9,0 |
| 65 | 165 | 12,0 | 12,0 |
| 80 | 130 | 9,5 | 9,5 |
| 100 | 140 | 11,9 | 11,9 |
| 125 | 150 | 15,3 | 15,3 |
| 150 | 160 | 19,5 | 19,5 |
| 200 | 180 | 29,0 | 27,5 |
| 250 | 210 | 41,5 | 40,5 |
| 300 | 255 | 59,5 | 59,0 |
| 400 | 183 | 73,0 | 82,5 |
| 500 | 220 | 109,0 | 137,0 |
| 600 | 309 | 212,0 | 257,0 |
| 700 | 346 | 360,0 | 386,0 |
| 800 | 383 | 793,0 | 529,0 |
| 900 | 420 | 693,0 | 741,0 |
| 1000 | 455 | 896,0 | 979,0 |
| 1200 | 530 | 1402,0 | 1531,0 |
Дополнительно:
Отвод фланцевый 45°
Артикул:551
| DN, (мм) | b, (мм) | Масса, (кг) | |
| PN10 | PN16 | ||
| 50 | 150 | 9,0 | 9,0 |
| 65 | 165 | 12,0 | 12,0 |
| 80 | 130 | 9,2 | 9,2 |
| 100 | 140 | 11,3 | 11,3 |
| 125 | 150 | 14,5 | 14,5 |
| 150 | 160 | 18,4 | 18,4 |
| 200 | 180 | 27,5 | 27,0 |
| 250 | 350 | 54,5 | 54,0 |
| 300 | 400 | 77,2 | 76,2 |
| 400 | 324 | 94,4 | 106,4 |
| 500 | 375 | 143,5 | 173,5 |
| 600 | 426 | 210,0 | 263,0 |
| 700 | 478 | 292,5 | 322,5 |
| 800 | 529 | 399,5 | 437,5 |
| 900 | 581 | 513,0 | 561,0 |
| 1000 | 632 | 661,0 | 744,0 |
| 1200 | 735 | 1028,0 | 1157,0 |
Дополнительно:
Отвод фланцевый 90°
Артикул:550
| DN, (мм) | b, (мм) | Масса, (кг) | |
| PN10 | PN16 | ||
| 50 | 150 | 8,5 | 8,5 |
| 65 | 165 | 11,0 | 11,0 |
| 80 | 165 | 9,5 | 9,7 |
| 100 | 180 | 12,0 | 12,0 |
| 125 | 200 | 15,6 | 15,6 |
| 150 | 220 | 19,8 | 19,8 |
| 200 | 260 | 31,2 | 30,2 |
| 250 | 350 | 50,0 | 49,0 |
| 300 | 400 | 69,9 | 68,9 |
| 400 | 500 | 114,5 | 125,5 |
| 500 | 600 | 179,0 | 209,0 |
| 600 | 700 | 269,0 | 322,0 |
| 700 | 800 | 381,5 | 411,5 |
| 800 | 900 | 527,5 | 565,5 |
| 900 | 1000 | 690,0 | 737,0 |
| 1000 | 1100 | 896,0 | 979,0 |
| 1200 | 1300 | 1418,0 | 1547,0 |
Дополнительно:
Отвод фланцевый с упором
Артикул:5049/1220
| DN, (мм) | b, (мм) | с, (мм) | е, (мм) | Масса, (кг) | |
| PN10 | PN16 | ||||
| 50 | 150 | 90 | 160 | 13,5 | 13,5 |
| 65 | 165 | 99 | 160 | 17,5 | 17,5 |
| 80 | 165 | 110 | 180 | 13,0 | 13,2 |
| 100 | 180 | 125 | 200 | 16,9 | 16,9 |
| 125 | 200 | 140 | 225 | 22,1 | 22,1 |
| 150 | 220 | 160 | 250 | 28,8 | 28,8 |
| 200 | 260 | 190 | 300 | 46,2 | 45,2 |
| 250 | 350 | 225 | 350 | 73,5 | 72,5 |
| 300 | 400 | 255 | 400 | 103,9 | 102,9 |
| 400 | 500 | 320 | 500 | 176,4 | 186,4 |
| 500 | 600 | 385 | 600 | 281,0 | 311,0 |
| 600 | 700 | 450 | 700 | 425,0 | 478,0 |
Материал: ковкий чугун.
Варианты покрытия:
- эпоксидное (минимальная толщина 250 мкм);
- битумное (наружная часть) / цемент (внутренняя часть).
Дополнительно:
Патрубок фланец — гладкий конец
Артикул:1529
| DN, (мм) | d, (мм) | L, (мм) | Масса, (кг) | |
| PN 10 | PN 16 | |||
| 50 | 66 | 400 | 7,7 | 7,5 |
| 65 | 82 | 400 | 9,5 | 9,5 |
| 80 | 98 | 350 | 7,8 | 7,8 |
| 100 | 118 | 360 | 9,7 | 9,7 |
| 125 | 144 | 370 | 12,5 | 12,5 |
| 150 | 170 | 380 | 15,8 | 15,8 |
| 200 | 222 | 400 | 22,8 | 22,8 |
| 250 | 274 | 420 | 32,8 | 31,8 |
| 300 | 326 | 440 | 43,2 | 42,7 |
| 350 | 378 | 460 | 52,3 | 55,3 |
| 400 | 429 | 480 | 64,3 | 70,3 |
| 500 | 532 | 520 | 93,9 | 108,9 |
| 600 | 635 | 560 | 133,3 | 159,3 |
| 700 | 738 | 600 | 179,4 | 194,4 |
| 800 | 842 | 600 | 226,3 | 245,3 |
| 900 | 945 | 600 | 272,2 | 295,2 |
| 1000 | 1046 | 600 | 328,1 | 369,1 |
| 1200 | 1255 | 600 | 455,9 | 519,9 |
Материал: ковкий чугун.
Варианты покрытия:
- эпоксидное (минимальная толщина 250 мкм);
- битумное (наружная часть) / цемент (внутренняя часть).
Дополнительно:
Патрубок фланцевый
Артикул:1530
| DN, мм | d, мм | Вес, кг | |||||||||||
| 100 | 150 | 200 | 250 | 300 | 400 | 500 | 600 | 700 | 800 | 900 | 1000 | ||
| 50 | 66 | 5,2 | 5,7 | 6,2 | 6,7 | 7,2 | 8,2 | 9,2 | 10,2 | 11,2 | 12,2 | 13,1 | 14,1 |
| 65 | 82 | 6,3 | 7,0 | 7,6 | 8,3 | 8,9 | 10,2 | 11,5 | 12,8 | 14,1 | 15,4 | 16,7 | 18,0 |
| 80 | 98 | 7,0 | 8,0 | 8,7 | 9,4 | 10,1 | 11,5 | 13,0 | 14,4 | 15,8 | 17,3 | 18,7 | 20,1 |
| 100 | 118 | 8,4 | 9,3 | 10,2 | 11,1 | 12,0 | 13,8 | 15,6 | 17,4 | 19,1 | 20,9 | 22,7 | 24,5 |
| 125 | 144 | 10,2 | 11,4 | 12,5 | 13,6 | 14,7 | 16,9 | 19,2 | 21,4 | 23,6 | 25,9 | 28,1 | 30,3 |
| 150 | 170 | 12,6 | 14,1 | 15,5 | 16,9 | 18,3 | 21,1 | 24,0 | 23,2 | 29,6 | 32,5 | 35,3 | 38,1 |
| 200 | 222 | 17,6 | 19,6 | 21,6 | 23,6 | 25,6 | 29,5 | 33,5 | 37,5 | 41,5 | 45,5 | 49,4 | 53,4 |
| 250 | 274 | 24,5 | 27,1 | 29,8 | 32,4 | 35,1 | 40,3 | 45,6 | 50,9 | 56,2 | 61,5 | 66,7 | 72,0 |
| 300 | 326 | 32,8 | 36,2 | 39,6 | 42,9 | 46,3 | 53,1 | 59,9 | 66,6 | 73,4 | 80,2 | 86,9 | 93,7 |
| 350 | 378 | 45,6 | 49,8 | 53,9 | 62,2 | 70,5 | 78,8 | 87,1 | 95,4 | 103,7 | 112,0 | ||
| 400 | 429 | 53,0 | 58,0 | 63,0 | 73,0 | 83,0 | 93,0 | 103,0 | 113,0 | 123,0 | 133,0 | ||
| 500 | 532 | 71,7 | 78,6 | 85,6 | 99,4 | 113,3 | 127,1 | 141,0 | 154,8 | 168,7 | 182,5 | ||
| 600 | 635 | 98,4 | 107,5 | 116,6 | 134,8 | 153,0 | 111,2 | 189,4 | 207,6 | 225,8 | 244,0 | ||
| 700 | 738 | 150,2 | 173,2 | 196,3 | 219,3 | 242,4 | 265,4 | 288,5 | 311,5 | ||||
| 800 | 842 | 195,5 | 224,0 | 252,5 | 281,0 | 309,5 | 338,0 | 366,5 | 395,0 | ||||
| 900 | 945 | 232,7 | 267,2 | 301,8 | 336,3 | 370,9 | 405,4 | 440,0 | 474,5 | ||||
| 1000 | 1048 | 286,0 | 327,0 | 368,0 | 409,0 | 450,0 | 491,0 | 532,0 | 573,0 | ||||
| 1200 | 1255 | 409,4 | 465,2 | 521,0 | 576,8 | 632,6 | 688,4 | 744,2 | 800,0 | ||||
Дополнительно:
Переход фланцевый
Артикул:1540
| DN1, (мм) | DN2, (мм) | L, (мм) | Масса, (кг) | |
| PN 10 | PN 16 | |||
| 65 | 50 | 200 | 9,0 | 9,0 |
| 80 | 50 | 120 | 7,2 | 7,3 |
| 80 | 65 | 110 | 7,9 | 8,0 |
| 100 | 50 | 150 | 8,1 | 8,1 |
| 100 | 65 | 200 | 8,7 | 8,7 |
| 100 | 80 | 120 | 9,3 | 9,4 |
| 125 | 50 | 290 | 12,3 | 12,3 |
| 125 | 65 | 305 | 13,2 | 13,2 |
| 125 | 80 | 200 | 10,5 | 10,6 |
| 125 | 100 | 200 | 11,3 | 11,3 |
| 150 | 50 | 341 | 15,8 | 15,8 |
| 150 | 80 | 160 | 12,0 | 12,0 |
| 150 | 100 | 160 | 12,8 | 12,8 |
| 150 | 125 | 200 | 14,0 | 14,0 |
| 200 | 80 | 200 | 17,9 | 17,7 |
| 200 | 100 | 200 | 18,9 | 18,6 |
| 200 | 125 | 300 | 20,5 | 20,0 |
| 200 | 150 | 160 | 21,9 | 21,9 |
| 250 | 100 | 250 | ||
| 250 | 125 | 300 | 41,0 | 40,5 |
| 250 | 150 | 200 | 44,0 | 43,5 |
| 250 | 200 | 160 | 30,6 | 30,1 |
| 300 | 150 | 250 | 33,0 | 32,5 |
| 300 | 200 | 200 | 35,9 | 35,4 |
| 300 | 250 | 160 | 40,8 | 39,8 |
| 400 | 200 | 305 | 45,6 | 50,5 |
| 400 | 250 | 260 | 49,1 | 54,6 |
| 400 | 300 | 200 | 54,4 | 59,4 |
| 500 | 350 | 600 | 160,0 | 178,0 |
| 500 | 400 | 200 | 109,6 | 130,6 |
| 600 | 400 | 300 | 210,0 | 242,0 |
| 600 | 500 | 200 | 148,5 | 189,5 |
| 700 | 500 | 600 | 281,0 | 311,0 |
| 700 | 600 | 600 | 195,4 | 236,4 |
| 800 | 600 | 300 | 368,0 | 414,0 |
| 800 | 700 | 600 | 250,3 | 284,3 |
| 900 | 700 | 600 | 458,0 | 497,0 |
| 900 | 800 | 600 | 308,2 | 352,2 |
| 1000 | 800 | 700 | 570,0 | 631,0 |
| 1000 | 900 | 600 | 373,2 | 438,2 |
| 1200 | 1000 | 790 | 494,0 | 600,0 |
Материал: ковкий чугун.
Варианты покрытия:
- эпоксидное (минимальная толщина 250 мкм);
- битумное (наружная часть) / цемент (внутренняя часть).
Дополнительно:
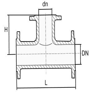
Равнопроходной крест
Артикул:1520
| DN, (мм) | L, (мм) | Н, (мм) | Масса, (кг) | |
| Тип А | Тип В | |||
| 50 | 300 | - | 150 | |
| 65 | 330 | - | 165 | |
| 80 | 330 | - | 165 | |
| 100 | 360 | 320 | 180 | 26 |
| 125 | 400 | - | 200 | |
| 150 | 440 | 400 | 220 | 39 |
| 200 | 520 | 450 | 260 | 58 |
| 250 | 700 | 600 | 350 | |
| 300 | 800 | 680 | 375 | 155 |
| 400 | 900 | - | 450 | 218 |
| 500 | 1000 | 900 | 500 | |
| 600 | 1100 | - | 550 | |
| 700 | 1200 | - | 600 | |
| 800 | 1350 | - | 675 | |
| 900 | 1500 | - | 750 | |
| 1000 | 1650 | - | 825 | |
| 1200 | 1950 | - | 975 | |
Дополнительно:
Тройник косой фланцевый
Артикул:1513
| DN, (мм) | d, (мм) | А, (мм) |
| 80 | 80 | 165 |
| 100 | 100 | 180 |
| 150 | 150 | 220 |
| 200 | 200 | 260 |
| 250 | 250 | 350 |
| 300 | 300 | 400 |
| 350 | 350 | 450 |
| 400 | 400 | 500 |
| 450 | 450 | 550 |
| 500 | 500 | 600 |
| 600 | 600 | 700 |
Материал: ковкий чугун.
Варианты покрытия:
- эпоксидное (минимальная толщина 250 мкм);
- битумное (наружная часть) / цемент (внутренняя часть).
Дополнительно:
Тройник косой фланцевый 45°
Артикул:1511
| DN, (мм) | d, (мм) | Тип | L, (мм) | К, (мм) |
| 80 | 80 | N | 500 | 375 |
| 100 | 100 | N | 540 | 405 |
| 150 | 150 | N | 640 | 480 |
| 200 | 200 | N | 735 | 560 |
| 250 | 250 | N | 830 | 640 |
| 300 | 300 | N | 930 | 715 |
| 350 | 350 | N | 880 | 790 |
Материал: ковкий чугун.
Варианты покрытия:
- эпоксидное (минимальная толщина 250 мкм);
- битумное (наружная часть) / цемент (внутренняя часть).
Дополнительно:
Тройник косой фланцевый 45°
Артикул:1512
| DN, (мм) | d, (мм) | Тип | L, (мм) | К, (мм) |
| 400 | 400 | М | 970 | 870 |
| 450 | 450 | М | 1060 | 950 |
| 500 | 500 | М | 1140 | 1025 |
| 600 | 600 | М | 1310 | 1180 |
| 700 | 700 | М | 1550 | 1430 |
| 800 | 800 | М | 1700 | 1570 |
| 900 | 900 | М | 1850 | 1700 |
| 1000 | 1000 | М | 2050 | 1900 |
Материал: ковкий чугун.
Варианты покрытия:
- эпоксидное (минимальная толщина 250 мкм);
- битумное (наружная часть) / цемент (внутренняя часть).
Дополнительно:
Тройник фланцевый
Артикул:1510
| DN, (мм) | dn, (мм) | L, (мм) | Н, (мм) | Масса, (кг) | ||
| Тип А | Тип В | PN 10 | PN 16 | |||
| 50 | 50 | 300 | - | 150 | 12,5 | 12,5 |
| 65 | 50 | 330 | - | 157 | 15,5 | 15,5 |
| 65 | 65 | 330 | - | 165 | 16,5 | 16,5 |
| 80 | 50 | 330 | - | 160 | 14,0 | 14,2 |
| 80 | 65 | 330 | - | 165 | 16,0 | 16,0 |
| 80 | 80 | 330 | - | 165 | 15,3 | 15,6 |
| 100 | 50 | 360 | - | 170 | 17,1 | 17,1 |
| 100 | 65 | 360 | - | 175 | 19,0 | 19,0 |
| 100 | 80 | 360 | - | 175 | 18,3 | 18,4 |
| 100 | 100 | 360 | - | 180 | 19,0 | 19,0 |
| 125 | 50 | 400 | - | 185 | 23,0 | 23,0 |
| 125 | 80 | 400 | - | 190 | 22,8 | 22,8 |
| 125 | 100 | 400 | - | 195 | 23,8 | 23,8 |
| 125 | 125 | 400 | - | 200 | 25,2 | 25,2 |
| 150 | 50 | 440 | - | 200 | 30,5 | 30,5 |
| 150 | 80 | 440 | - | 205 | 28,5 | 28,5 |
| 150 | 100 | 440 | - | 205 | 29,4 | 29,4 |
| 150 | 125 | 440 | - | 210 | 30,9 | 30,9 |
| 150 | 150 | 440 | - | 215 | 32,3 | 32,3 |
| 200 | 50 | 520 | - | 225 | 60,0 | 59,5 |
| 200 | 80 | 520 | - | 235 | 42,2 | 41,7 |
| 200 | 100 | 520 | - | 240 | 43,1 | 42,6 |
| 200 | 125 | 520 | - | 245 | 51,0 | 51,0 |
| 200 | 150 | 520 | - | 250 | 46,0 | 45,5 |
| 200 | 200 | 520 | - | 260 | 49,5 | 48,5 |
| 250 | 50 | 700 | - | 275 | 85,0 | 84,0 |
| 250 | 80 | 700 | - | 270 | 72,0 | 71,0 |
| 250 | 100 | 700 | - | 275 | 67,6 | 66,6 |
| 250 | 125 | 700 | - | 275 | 92,0 | 91,0 |
| 250 | 150 | 700 | - | 300 | 81,0 | 80,0 |
| 250 | 200 | 700 | - | 325 | 75,2 | 74,2 |
| 250 | 250 | 700 | - | 350 | 81,0 | 80,0 |
| 300 | 50 | 800 | 425 | 300 | 120,0 | 119,0 |
| 300 | 80 | 800 | 425 | 290 | 98,0 | 97,0 |
| 300 | 100 | 800 | 450 | 300 | 93,8 | 92,8 |
| 300 | 125 | 800 | 505 | 300 | 125,0 | 124,0 |
| 300 | 150 | 800 | 505 | 315 | 101,0 | 100,0 |
| 300 | 200 | 800 | 565 | 350 | 102,4 | 101,4 |
| 300 | 250 | 800 | 620 | 375 | 113,9 | 112,9 |
| 300 | 300 | 800 | 680 | 400 | 114,0 | 113,0 |
| 350 | 80 | 850 | - | 325 | 159,0 | 165,0 |
| 350 | 100 | 850 | - | 325 | 115,5 | 121,5 |
| 350 | 150 | 850 | - | 325 | 164,0 | 170,0 |
| 350 | 200 | 850 | - | 325 | 120,5 | 126,5 |
| 350 | 250 | 850 | - | 325 | 173,0 | 179,0 |
| 350 | 300 | 850 | - | 425 | 188,0 | 194,0 |
| 350 | 350 | 850 | 760 | 425 | 138,8 | 147,8 |
| 400 | 100 | 900 | 490 | 350 | 142,4 | 153,4 |
| 400 | 150 | 900 | 550 | 350 | 206,0 | 217,0 |
| 400 | 200 | 900 | 615 | 350 | 147,3 | 158,3 |
| 400 | 250 | 900 | 665 | 350 | 215,0 | 226,0 |
| 400 | 300 | 900 | 730 | 450 | 232,0 | 243,0 |
| 400 | 400 | 900 | 840 | 450 | 168,5 | 185,5 |
| 500 | 80 | 1000 | 515 | 400 | 212,0 | 241,0 |
| 500 | 100 | 1000 | 535 | 400 | 209,5 | 240,5 |
| 500 | 150 | 1000 | 645 | 400 | 307,0 | 337,0 |
| 500 | 200 | 1000 | 650 | 400 | 214,5 | 244,5 |
| 500 | 250 | 1000 | 710 | 400 | 315,0 | 345,0 |
| 500 | 300 | 1000 | 770 | 500 | 334,0 | 365,0 |
| 500 | 400 | 1000 | 890 | 500 | 234,7 | 270,7 |
| 500 | 500 | 1000 | 1000 | 500 | 243,6 | 289,6 |
| 600 | 80 | 1100 | 580 | 450 | 304,0 | 353,0 |
| 600 | 100 | 1100 | 570 | 450 | 436,0 | 489,0 |
| 600 | 150 | 1100 | 630 | 450 | 440,0 | 493,0 |
| 600 | 200 | 1100 | 1100 | 450 | 304,0 | 356,0 |
| 600 | 250 | 1100 | 745 | 450 | 448,0 | 501,0 |
| 600 | 300 | 1100 | 790 | 550 | 466,0 | 519,0 |
| 600 | 400 | 1100 | 1100 | 550 | 323,0 | 382,0 |
| 600 | 500 | 1100 | 1100 | 550 | 499,0 | 567,0 |
| 600 | 600 | 1100 | 1100 | 550 | 343,0 | 422,0 |
| 700 | 100 | 650 | - | 510 | 270,0 | 296,0 |
| 700 | 150 | 1200 | - | 500 | 608,0 | 638,0 |
| 700 | 200 | 650 | - | 525 | 265,9 | 295,9 |
| 700 | 250 | 1200 | - | 500 | 615,0 | 645,0 |
| 700 | 300 | 870 | - | 540 | 344,0 | 370,0 |
| 700 | 350 | 1200 | - | 600 | 642,0 | 675,0 |
| 700 | 400 | 870 | - | 555 | 337,5 | 372,5 |
| 700 | 500 | 1200 | - | 570 | 669,0 | 714,0 |
| 700 | 600 | 1200 | - | 585 | 686,0 | 743,0 |
| 700 | 700 | 1200 | - | 600 | 459,0 | 504,0 |
| 800 | 100 | 690 | - | 570 | 354,0 | 390,0 |
| 800 | 150 | 690 | - | 580 | 370,0 | 392,0 |
| 800 | 200 | 690 | - | 585 | 349,5 | 387,5 |
| 800 | 250 | 690 | - | 585 | 379,0 | 401,0 |
| 800 | 300 | 910 | - | 600 | 443,0 | 478,0 |
| 800 | 350 | 1300 | - | 650 | 849,0 | 849,0 |
| 800 | 400 | 910 | - | 615 | 434,0 | 478,0 |
| 800 | 500 | 1350 | - | 630 | 607,0 | 657,0 |
| 800 | 600 | 1350 | - | 645 | 599,5 | 663,5 |
| 800 | 700 | 1300 | - | 650 | 916,0 | 916,0 |
| 800 | 800 | 1350 | - | 675 | 631,5 | 689,5 |
| 900 | 100 | 730 | - | 640 | 445,0 | 488,0 |
| 900 | 200 | 730 | - | 645 | 432,0 | 480,0 |
| 900 | 250 | 730 | - | 635 | 461,0 | 482,0 |
| 900 | 300 | 950 | - | 660 | 544,0 | 588,0 |
| 900 | 400 | 950 | - | 675 | 532,5 | 585,5 |
| 900 | 500 | 1500 | - | 690 | 784,0 | 842,0 |
| 900 | 600 | 1500 | - | 705 | 771,0 | 846,0 |
| 900 | 900 | 1500 | - | 750 | 818,0 | 890,0 |
| 1000 | 200 | 770 | - | 705 | 541,0 | 624,0 |
| 1000 | 250 | 770 | - | 705 | 590,0 | 695,0 |
| 1000 | 300 | 1500 | - | 750 | 1363,0 | 1360,0 |
| 1000 | 400 | 990 | - | 735 | 658,0 | 746,0 |
| 1000 | 500 | 1500 | - | 750 | 1396,0 | 1395,0 |
| 1000 | 600 | 1650 | - | 765 | 990,5 | 1099,5 |
| 1000 | 700 | 1500 | - | 750 | 1446,0 | 1445,0 |
| 1000 | 800 | 1500 | - | 750 | 1468,0 | 1465,0 |
| 1000 | 900 | 1500 | - | 750 | 1464,0 | 1460,0 |
| 1000 | 1000 | 1650 | - | 825 | 1058,0 | 1183,0 |
| 1200 | 200 | 850 | - | 825 | 804,0 | 932,0 |
| 1200 | 250 | 1215 | - | 875 | 1187,0 | 1276,0 |
| 1200 | 400 | 1070 | - | 855 | 957,0 | 1091,0 |
| 1200 | 600 | 1950 | - | 885 | 1544,0 | 1699,0 |
| 1200 | 1000 | 1700 | - | 945 | 1600,0 | 1705,0 |
| 1200 | 1200 | 1950 | - | 975 | 1662,0 | 1855,0 |
Материал: ковкий чугун.
Варианты покрытия:
- эпоксидное (минимальная толщина 250 мкм);
- битумное (наружная часть) / цемент (внутренняя часть).
Дополнительно:
Тройник фланцевый с нижним выпуском
Артикул:1516
| DN, (мм) | d, (мм) | L, (мм) | H, (мм) |
| 100 | 80 | 360 | 195 |
| 150 | 80 | 440 | 220 |
| 200 | 80 | 520 | 250 |
| 200 | 100 | 520 | 250 |
| 250 | 80 | 700 | 275 |
| 250 | 100 | 700 | 275 |
| 300 | 80 | 800 | 305 |
| 300 | 100 | 800 | 305 |
| 300 | 150 | 800 | 305 |
| 350 | 80 | 850 | 340 |
| 350 | 100 | 850 | 340 |
| 350 | 150 | 850 | 340 |
| 400 | 80 | 900 | 365 |
| 400 | 100 | 900 | 365 |
| 400 | 150 | 900 | 365 |
| 400 | 200 | 900 | 365 |
| 450 | 80 | 950 | 380 |
| 450 | 100 | 950 | 380 |
| 450 | 150 | 950 | 380 |
| 450 | 200 | 950 | 380 |
| 500 | 80 | 1000 | 400 |
| 500 | 100 | 1000 | 400 |
| 500 | 150 | 1000 | 400 |
| 500 | 200 | 1000 | 400 |
| 600 | 80 | 1100 | 435 |
| 600 | 100 | 1100 | 435 |
| 600 | 150 | 1100 | 450 |
| 600 | 200 | 1100 | 450 |
| 700 | 150 | 600 | 500 |
| 700 | 200 | 650 | 500 |
| 800 | 150 | 670 | 540 |
| 800 | 200 | 690 | 540 |
| 900 | 150 | 720 | 580 |
| 900 | 200 | 730 | 580 |
| 1000 | 150 | 770 | 630 |
| 1000 | 200 | 770 | 630 |
Материал: ковкий чугун.
Варианты покрытия:
- эпоксидное (минимальная толщина 250 мкм);
- битумное (наружная часть) / цемент (внутренняя часть).
Дополнительно:
Тройник фланцевый с нижним выпуском короткий
Артикул:1516
| DN, (мм) | d, (мм) | L, (мм) |
| 300 | 150 | 505 |
| 400 | 150 | 550 |
| 500 | 150 | 590 |
| 600 | 200 | 690 |
| 800 | 200 | 690 |
| 1000 | 250 | 770 |
Материал: ковкий чугун.
Варианты покрытия:
- эпоксидное (минимальная толщина 250 мкм);
- битумное (наружная часть) / цемент (внутренняя часть).
Дополнительно:
Тройник фланцевый с плавным ответвлением
Артикул:1514
| DN, (мм) | d, (мм) | L, (мм) | А, (мм) | B, (мм) | r, (мм) |
| 80 | 80 | 545 | 165 | 380 | 330 |
| 100 | 100 | 580 | 180 | 400 | 340 |
| 150 | 150 | 670 | 220 | 450 | 385 |
| 200 | 200 | 760 | 260 | 500 | 430 |
| 250 | 250 | 900 | 350 | 550 | 475 |
| 300 | 300 | 1000 | 400 | 600 | 515 |
| 350 | 350 | 1100 | 450 | 650 | 560 |
| 400 | 400 | 1200 | 500 | 700 | 605 |
| 450 | 450 | 1300 | 550 | 750 | 650 |
| 500 | 500 | 1400 | 600 | 800 | 690 |
| 600 | 600 | 1600 | 700 | 900 | 780 |
Материал: ковкий чугун.
Варианты покрытия:
- эпоксидное (минимальная толщина 250 мкм);
- битумное (наружная часть) / цемент (внутренняя часть).
Дополнительно:
Фланцевый патрубок с гладким концом
| DN, (мм) | L, (мм) | Масса, (кг) | ||
| PN 10 | PN 16 | PN 25 | ||
| 60 | 350 | 6 | 6 | 5,6 |
| 80 | 350 | 8 | 8 | 8 |
| 100 | 350 | 9,6 | 9,6 | 10,1 |
| 125 | 350 | 12,5 | 12,5 | 13,4 |
| 150 | 400 | 17,1 | 17,1 | 18,1 |
| 200 | 400 | 24,5 | 24,0 | 25,5 |
| 250 | 400 | 33 | 33 | 35,5 |
| 300 | 450 | 46 | 45 | 49 |
| 350 | 450 | 58 | 58 | 64 |
| 400 | 480 | 70 | 74 | 83 |
| 450 | 500 | 86 | 92 | 100 |
| 500 | 520 | 104 | 117 | 123 |
| 600 | 560 | 144 | 169 | 172 |
| 700 | 600 | 189 | 187 | 225 |
| 800 | 600 | 239 | 250 | 291 |
| 900 | 600 | 287 | 298 | 376 |
| 1000 | 600 | 354 | 376 | 439 |
| 1100 | 600 | 400 | 435 | 513 |
| 1200 | 600 | 469 | 526 | 603 |
Дополнительно:


































