Люки дренажной системы

Свернуть описания Развернуть описания

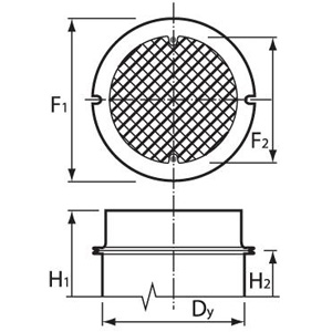
Люк чугунный (3 т) с ПВХ телескопическим адаптером и уплотнительным кольцом\

  
 

Dy, ммАртикулDy, ммF1, ммH1, ммH2, мм
315293653734363304465375
425293653735473402465375

Дополнительно:

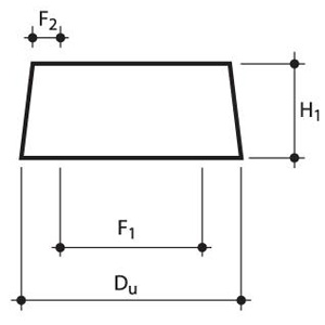
Горловина коническая бетонная

  
 

Применяется совместно с крышкой бетонной или люком чугунным

Dy, ммАртикулDu, ммF1, ммF2, ммH1, мм
31528365071956536570240
42528366071973049080240

Дополнительно:

Крышка бетонная

  
 

Dy, ммАртикулF1, ммH1, ммH2, мм
3152836500295108580
42528366002968010590

Дополнительно:

Крышка полипропиленовая с уплотнительным кольцом для гофрированной трубы

   
 

Dy, ммАртикулDy, ммH1, мм
31521360005531590
425213610055425140

Дополнительно:

Люк полипропиленовый А15 (1,5 т)

  
 

Устанавливается непосредственно на гофрированную трубу

Dy, ммАртикулF1, ммH1, ммH2, мм
3152136032523904630
4252136043525104645

Дополнительно:

Люк чугунный (40 т) с ПВХ телескопической трубой и уплотнительным кольцом

  
 

Dy, ммАртикулH1, ммH2, ммF1, ммF2, ммd, мм
315293656435500385495300230
315293656445*500385495300230
425293666444*375224520397300
425293666448*750599520397300

* — с замком

Дополнительно:

Люк чугунный D400 (40 т)

  
 

Используется совместно с телескопическим адаптером

Dy, ммАртикулDy, ммF1, ммF2, ммH1, ммH2, мм
315283654458315520334147110
425283664458425540448175102

Дополнительно:

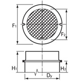
Люк чугунный А15 (1,5 т)

  
 

Устанавливается непосредственно на гофрированную трубу.

Dy, ммАртикулD1, ммH1, мм
31528365461037338
42528366461049348

Дополнительно:

Люк чугунный В125 (12,5 т)

   
 

Используется совместно с телескопическим адаптером

Dy, ммАртикулВ1, ммD1, ммH1, ммH2, мм
315283654868Ø 355314147102
425283664858Ø 540448180107

Дополнительно:

Люк чугунный В125 (12,5 т) на бетонную коническую горловину

  
Артикул:283654810

Dy, ммF1, ммF2, ммH1, ммH2, мм
3154503888050

Дополнительно: